目录一、编制依据 ..................................................................................................................
.WORD.格式 . .专业资料 .整理分享 . 目录一、工程概况 ..........................................................................
高新创汇社区 F 区(一期)建安工程A 标段 3#、4#、5#、6#、9#楼、24#楼及部分地下车库工程项目屋面工程施工方案编 制:审 核:审 ...
*** 项目 *** 工程屋面工程施工方案工程效果图编制单位:中天建设集团有限公司东北分公司编制日期: ****年** 月** 日编 制 人: ...
目录一、工程概况二、编制依据三、保温屋面3.1一般规定3.2屋面拆除、基层处理3.3找平层3.4卷材防水层3.5屋面保温层3.6混凝土保护层四、阳台...
上海宝山万达广场屋面工程施工方案编制:审核:批准:中国建筑第二工程局有限公司(沪)上海宝山万达广场项目经理部目 录一、编制依据 ....
目录一、编制依据 ..................................................................................................................
屋面工程施工方案编制:审核:审批:一、编制依据1、图文信息中心施工图纸。2、规范(1)《工程测量规范》( GB50026-2007)(2)《建筑工...
第一章编制依据1.1 施工图纸图纸名称出 图 日 期北航教学科研楼结构施工图2004.07 北航教学科研楼建筑施工图2004.07 北航教学科研楼...
目录一、工程概况 ............................................................................. 1 一、使用范围 ...................
工作行为规范系列屋面工程施工操作规程(标准、完整、实用、可修改)GL实用范本 | DOCUMENT TEMPLATE 第2页/共 5页编号: FS-QG-8196...
《屋面工程技术规》 GB50345-2012复习试题一、填空题(每空1 分. 共 40 分)1、屋面防水工程应根据建筑物的类别、重要程度、使用工程...
精品感谢下载载大同市御河流域生态修复与保护项目之十里河入御河交汇处生态湿地工程—附属建筑—东侧入口访客中心屋面工程施工方案编制:审...
第一 章工程概 况施 工单位:安徽 省皖西 建 筑安装 工 程有限公司工程 名称:寿 县 阳光欧 洲 城 6#~8# 楼建设 单位:六...
目录一、编制依据: ........................ 错误! 未定义书签。二、屋面工程概况:.................... 错误! 未定义书签。三、施...
. . . .......... 屋面工程技术规范防水工程概况(一) 、本工程防水项目主要包括①地下室防水②屋面防水③卫生间防水。(二) 、建...
技术交底记录表 C2— 1 编号工程名称大连开发区 73#小区一期动迁住宅楼工程交底日期2006 年 4 月 6 日施工单位中国建筑第八工程局...
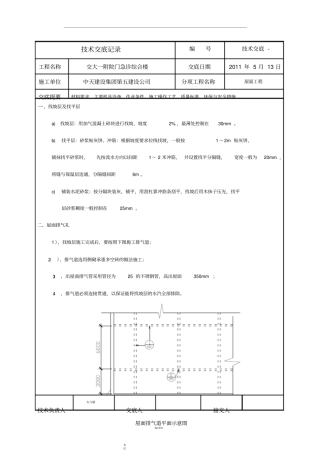
技术交底记录编号技术交底 - 工程名称交大一附院门急诊综合楼交底日期2011 年 5 月 13 日施工单位中天建设集团第五建设公司分项工程...
屋面工程技术规范一、防水工程概况:工程防水项目、地下室防水、屋面防水、卫生间。二、建筑设计的要求等级1、地下室防水:根据《地下工程...
一、编制依据 : 1 、 根据国家和行业现行建筑保温施工标准的规程、规范等;2、根据《中华人民共和国建筑法》 、《建筑工程施工安全生...

