机械回填土分项工程质量管理依据标准:《建筑工程施工质量验收统一标准》 GB50300-2001《建筑地基基础工程施工质量验收规范》GB50202-2002...
火电设备安装工程质量管理规划目 录1. 目的...........................................................................................
工程名称交底部位共 页第 页交底内容:预制水磨石地面工程质量管理1、依据标准:《建筑工程施工质量验收统一标准》 GB50300-2001《建筑...
上海市工程建设质量管理协会沪工质协(2008)第 11 号关于表彰 2008 年度 “上海市工程建设质量管理小组活动优秀企业”、“上海市工程...
医疗质量管理与持续改进记录本 科 室: 年 度:医疗质量管理与持续改进记录本填写要求:1、各科室医疗质量控制小组由科主任或副主任、护士...
第一章 现代医院质量管理概论医疗服务质量是反映医院医疗技术水平、整体管理水平和医疗服务水平的聚焦点。质量管理作为医院管理的核心和永...
利用质量管理统计分析软件提高药品质量来源: 中国医药技术经济网 国内制药行业有个很有趣的现象,就是从政府部门到企业都在强调质量的重...
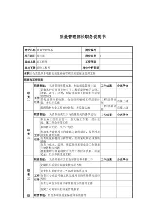
质量管理部长职务说明书岗位名称 质量管理部长岗位编号所在部门 项目部岗位定员1直接上级 总工程师工资等级直接下级 质检工程师岗位分...
西安·绿地中心 B 座幕墙工程质量管理策划编制: 审核: 审批: 中国建筑装饰集团有限公司西北公司西安·绿地中心 B 座幕墙工程项目...
XX 高速跨秦淮新河桥梁工程项目质量管理计划 编 制: 审 核: 审 批: 审批日期: 2011-3-28 项目质量管理计划1 总则XX 高速跨...
重症医学科医疗质量管理与持续改进 科室 __ 重症医学科 _ 记录年度 _2012 年 _科室质控小组名单科室质控小组职责1. 科室质控小组...
质量管理学习心得 质量管理体系学习心得 质量是什么。质量是一个企业赖以生存的保障,如果说一个企业所制造出来的产品或所提供的服务失去...
低压电缆头制作安装质量管理依据标准:《建筑工程施工质量验收统一标准》GB50300-2001《建筑电气工程施工质量验收规范》GB50303-20021、范...
现场质量管理心得体会个优秀的管理人员,绝不是在其下属工作人员犯错之后通过罚款去追究下属失职的责任,例如某些企业,下属员工不按标准作...
质量管理实施计划苗尾水电站旧小公路第Ⅱ合同段质量管理年质量培训计划书4月26日建管局在*****工程2010年二季度质量例会暨质委会会议上,就...
食品用塑料包装生产企业质量管理资料汇编编制审核批准xxx塑料包装彩印有限公司二00七年四月三十日目录一、第一部分:企业基本情况及相关资...
目录(1)上级下发的相关文件(相关委员会下发文件)(2)科室医疗质量管理制度(3)科室医疗质量管理方案(4)科室医疗质量管理和持续改进...
钢屋架安装工程质量管理1、依据标准:《建筑工程施工质量验收统一标准》GB50300-2001《钢结构工程施工质量验收规范》GB50205-20012、施工准...
第六篇工程技术质量管理篇四十五工程施工组织设计管理规定本规定所讲的施工组织设计(国家新规范称为“项目管理实施规划”)是对投标施工组...
钢网架结构安装工程质量管理1、依据标准:《建筑工程施工质量验收统一标准》GB50300-2001《钢结构工程施工质量验收规范》GB50205-20012、施...

