废水监测,合同篇一:xxx环境监测合同XX技术服务合同委托方(甲方):受托方(乙方):xxxxxx有限公司xxxxxxxx环境检测技术有限公司本合同...
煤业矿井废水及生活污水处理站运营合同项目名称:煤业矿井废水及生活污水处理站运营管理委托方:煤业有限责任公司(甲方)受托方:(乙方)...
屠宰废水工程设计方案目录第一章概述...................................................................................................
说明本书按照要素或对象、手段和项目进行了分类,按要素或对象设章、按类设节,有关内容具体说明如下:一、分类原则按照要素或对象分为六大...
广西给排水工程师《基础》:水产养殖废水概况模拟试题一、单项选择题(共25题,每题2分,每题的备选项中,只有1个事最符合题意)1、一个全...
1电镀有限公司电镀废水治理及回用工程项目可行性研究报告某电镀有限公司电镀废水治理及回用工程项目可行性研究报告项目设计负责人:技术负...
***环保工程有限公司***医院医疗废水消毒处理方案***环保工程有限公司二0一五年五月***医院医疗废水消毒方案一、概述***医院建设项目位于市...
奉贤区中医医院污水处理工程合同甲方:乙方:上海市煜清市政工程有限公司合同编号:根据《中华人民共和国合同法》和国家有关建设、环保等法...
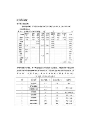
废水防治对策废水水量水质分析根据工程分析,企业产生的废水主要为工艺废水和生活污水,項目水量及水质情况见表10-1为确保经废水处理后,第...
废水在线监测设备比对监测概述任务由来、术语和定义、比对监测工作管理和依据水污染源自动监测设备比对监测比对监测条件、内容、频...
味精废水的处理味精行业是我国发酵工业的主要行业之一,自20世纪80年代开始进入高速发展阶段,2010年味精总产量高达256万t,2011年味精行业...
第一章前言1.1啤酒废水污染现状及其危害性啤酒是当今风靡世界最流行的饮料之一,早在4500年前,啤酒就在古埃及问世,它略含苦味,富含营养...
养殖废水处理工程设计方案目录1.概述..................................................................................................
化工企业废水分类收集、清污分流构思摘要:分析了现有化工企业废水分类收集、分质处理和清污分流存在的诸多问题,分别从技防和管理角度对污...
关于城市污水及废水治理探讨摘要随着社会的不断发展,城市化水平不断提高,然而城市污水和废水问题日益加剧。针对此种现象,本文从介绍污水...
一、目的二、职责三、工作程序一、目的规范医疗废物实验室的管理,防止医疗废物外流影响公共安全,保护工作人员。二、职责工作人员:严格遵...
固体废弃物及废水废气粉尘噪音污染防治管理制度防治管理制度为了对我公司的固体废弃物及废水、废气妥善处理,综合利用,实施有效管理,以减...
抗生素生产废水厌氧处理分析摘要。抗生素生产废水是一种难降解的高浓度有机废水,目前国内治理技术不多且不够成熟,已建成的治理工程,投资...
含锑废水【处理含锑废水及对锑的回收方法】处理含锑废水及对锑的回收方法重金属有着潜在的毒性和环境持久性,成为最危险的人类环境污染物之...
协议编号:技术服务协议项目名称:XX有限企业废水站技术服务甲方:XX有限企业乙方:XX有限责任企业一、协议标的本协议签订后,甲乙双方到达...

