圆柱齿轮减速器设计任务书一设计题目:带式运输机的传动装置的设计题号21带式运输机的工作原理(二级展开式圆柱齿轮减速器带式运输机的传动...
中国矿业大学机械设计课程设计—二级展开式圆柱齿轮减速器设计说明书题目:机械厂装配车间输送带传动装置设计指导教师:彭玉兴学院:徐海学...
Q/SYYCQ3455—2012中国石油天然气股份有限公司企业标准Q/SYCQ3455—2012抽油机减速器技术规范2012-12-31发布2013-02-01实施Q/SYCQ3455—201...
南澜国际大学机械学院毕业设计说明书题目:减速器箱体焊接生产工艺规程编制学生姓名:专业:指导教师:职称:毕业设计说明书提交日期目录摘...
摘要零件的工艺编制,在机械加工中占有非常重要的地位,零件工艺编制得合不合理,这直接关系到零件最终能否达到质量要求;夹具大的设计也是...
引用卡车车桥结构轮边减速器汽车零部件加工设备排行榜收藏打印发给朋友举报发布者:xingtanjx热度1票浏览14次【共0条评论】【我要评论】时...
长沙航空职业技术学院毕业设计题目减速器壳体的焊接制作工艺系别航空机械制造工程系专业焊接技术及自动化班级中联焊接0701学号200700092020...
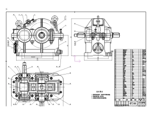
中北大学机械设计课程设计说明书题目:用于热处理车间清洗零件的传动系统中的二级斜齿圆柱齿轮减速器班级:09级2班学号:姓名:专业:指导...
中北大学机械设计课程设计说明书题目:用于热处理车间清洗零件的传动系统中的二级斜齿圆柱齿轮减速器班级:学号:姓名:专业:指导教师:年...
减速器箱体工艺工装设计前言毕业设计是每个大学生在毕业前必须完成的一个教学环节,是对我们所学专业知识的一个综合测试,也是对我们大学生...
第1页共9页编号:时间:2021年x月x日书山有路勤为径,学海无涯苦作舟页码:第1页共9页投资抽油机减速器厂项目策划方案第一章抽油机减速器简...
浙江纺织服装学院机械毕业设计QQ:609881953目录前言1毕业设计的目的…………………………………………………………………12毕业设计的基本...
第三章基于SolidWorks的三维建模3.1SolidWorks软件介绍SolidWorks软件是由SolidWorks公司开发的,SolidWorks公司是一家专门从事开发三维机...
西安航空职业技术学院毕业设计论文直齿减速器的三维设计与虚拟仿真【摘要】本文针对减速器的设计来探讨机械结构设计中所涉及的细致问题,并...
洛阳理工学院毕业设计(论文)减速器三维设计及虚拟装配摘要本设计主要是针对减速器的动态虚拟装配,通过对零器件结构的分析和比较,设计出...
第1页共57页编号:时间:2021年x月x日书山有路勤为径,学海无涯苦作舟页码:第1页共57页第1章绪论1.1研究目的和意义轻型货车在汽车行业中占...
目录摘要................................................................11绪论.......................................................
攀枝花学院学生课程设计(论文)题目:设计用于带式运输机的传动装置学生姓名:学号:所在院(系):专业:班级:指导教师:职称:攀枝花学院...
目录一、设计题目:减速器工厂的规划设计...................................................................11、设计目的................
机械设计课程设计计算说明书题目设计带式运输机传动装置两级圆锥-圆柱齿轮减速器专业班级机械设计制造及其自动化专业08级一班西安文理学院...

