第1页共3页编号:时间:2021年x月x日书山有路勤为径,学海无涯苦作舟页码:第1页共3页木业公司原材料采购岗位说明书岗位名称原材料采购岗位...
原材料采购岗位说明书岗位名称原材料采购岗位编号QK-06-02所在部门采购部岗位定员1直接上级采购部部长工资等级直接下级薪酬类型所辖人员岗...
第1页共1页编号:时间:2021年x月x日书山有路勤为径,学海无涯苦作舟页码:第1页共1页材料采购计划材料名规格单位全年采购量单价金额每月采...
XXXXXXXXXX工程项目编号:XXX包号:1报价文件报价人单位名称:XXXXXXXXXX(盖单位章)法定代表人或其委托代理人:(签字)2016年10月15日目...
第1页共2页编号:时间:2021年x月x日书山有路勤为径,学海无涯苦作舟页码:第1页共2页材料采购记录月日至月日页次请购日期请购单号材料名称...
第1页共2页编号:时间:2021年x月x日书山有路勤为径,学海无涯苦作舟页码:第1页共2页月度材料采购计划表填写日期:年月日编号:材料名称规...
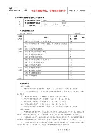
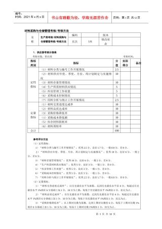
第1页共11页编号:时间:2021年x月x日书山有路勤为径,学海无涯苦作舟页码:第1页共11页材料采购与仓储管理考核以及考核方法名称生产类考核...
第1页共12页编号:时间:2021年x月x日书山有路勤为径,学海无涯苦作舟页码:第1页共12页材料采购与仓储管理考核/考核方法名称生产类考核/材...
材料采购招议标管理办法1总则为了建立规范、高效的材料采购运行体系,保证工程质量、达到降本增效的目的,现制定《材料采购招议标管理办法...
****项目****采购合同合同编号:买方:卖方:签订日期:年月日签订地点:目录第一部分合同协议书...........................................
****项目****采购合同合同编号:买方:卖方:签订日期:年月日签订地点:目录第一部分合同协议书...........................................
中石化科研及办公用房项目弱电系统工程—安防系统设备材料采购方案北京金尼斯电子技术有限责任公司二零零七年三月目录一、设备、材料采购的...
**设备/材料采购合同合同编号:工程名称:买方:卖方:签订时间:签订地点:使用说明1.本合同范本适用于xx公司各单位设备材料采购(包括招...
原材料采购岗位说明书岗位名称原材料采购岗位编号QK-06-02所在部门采购部岗位定员1直接上级采购部部长工资等级直接下级薪酬类型所辖人员岗...
项目材料采购管理办法第一章总则第一条为了加强全局各单位的采购管理,建立规范的采购运行机制,保护国家利益、企业利益和招投标当事人的合...
第1页共8页编号:时间:2021年x月x日书山有路勤为径,学海无涯苦作舟页码:第1页共8页工程名称:预算人:预算日期:2003年月日预计采购日期:2...
多功能厅大修(空调材料采购)合同合同编号:甲方:华能澜沧江水电有限公司乙方:云南澳科展示设计有限公司昆明英捷机电工程有限责任公司签...
Division/Department:SupplyChainDepartment部门:物流部Jobtitle:RawMaterialPurchaseAgent职位名称:原材料采购专员Reportsto:SupplyChai...
枕梁构件厂生产用原材料采购砂石、水泥、减水剂必选文件比选编号:比选单位:2011/7/1第一章比选公告1.1比选企业比选单位:四川省地方铁路...
金属材料采购工程师职位说明书岗位名称金属材料采购所在部门采购部直接上级原辅料采购主管直接下级岗位定员所辖人员一、职责与工作任务:职...

