第十节 劳动力需求计划及保证措施根据本工程的建设规模及工期规定、结构特点,施工力量按相应工种分批分期投入施工。7.10.1 劳动力投入计...
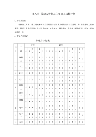
第八章 劳动力计划及主要施工机械计划8.1 劳动力组织根据施工方案,施工进度和劳动力需用量计划要求及时组织劳动力进场,并 安排进场人...
劳动力转移第四章(14 页)Good is good, but better carries it.精益求精,善益求善。第四单元 城市生活.............................
劳动力配置计划1、劳动力配置原则结合本工程施工特点,我公司决定选派热爱本职工作、综合素养 高、作风硬、组织领导能力强的公司高级管理...
劳动力计划表工种按工程施工阶段投入劳动力情况事故池建 设工程地下水监测设施建设工程混凝沉淀 池沉淀区 刮泥盲区改造工程冷却液循 环...
劳动力计划表(附表)工程名称:卫生部心血管病防治讨论中心及阜外心血管病医院扩建工程装修工程二标段工种按工程施工阶段投入劳动力情况施工...
劳动力计划主要设备材料需用计划及管理措施第一节劳动力用量计划与管理、民工工资保障措施・1 劳动力计划现场将根据施工的不同阶段、进度...
5、劳动力的投入根据对本安装工程工期质量要求的评估除做到施工安排科学、合理、紧凑和充 分利用施工机械提高生产效率外,在各安装阶段计...
我公司将根据工程实物量和施工进度计划,根据充足、均衡、高效的原则,合理组织劳动力,确保工程按时、优质地顺利完成。一、施工队选择根据...
劳动力材料以及机械投入4.1、劳动力投入计划合理而科学的劳动力组织,是保证工程顺利进行的重要因素之一。根据工程实际进度,及时调配劳动...
劳动力计划及主要施工机械计划及材料供应计划一、劳动力计划及主要施工机械计划1 劳动力计划按计划工期 30 天计算,结合现场实际情况进...
3.7 主要劳动力计划及劳动力曲线表 3-5工种按工程施工阶段投入劳动力情况2025 年2025 年5 月 6 月 7 月 8 月 9 月10 月 11...
(7)劳动力、机械设备和材料投入计划劳动力安排计划:施工阶段投入的劳动力工种分类普工管道工砼工铺装工安装工 司机清理阶段202015201510...
劳动力的组织1、劳动力的需要计划(1)劳动力需用计划是以本工程施工进度计划为编制依据,并综合考虑了我公司的综合施工能力制订的。(2)...
劳动力计划、主要设备及进场计划(20 页)Good is good, but better carries it.精益求精,善益求善。劳动力计划、主要机械设备使用及...
劳动力组织安排计划 施工劳动力是工程施工直接操作者,也是工程质量、进度、安全和文明施工直接确保者。所以,劳动力配置是整个工程实施又...
劳动力机械设备和材料投入计划(9 页)Good is good, but better carries it.精益求精,善益求善。(5)劳动力、机械设备和材料投入计...
劳动力、机械设备及材料投入计划机械设备投入关键设备选择 施工塔吊(1)选择原则1)根据各阶段施工总平面合理布置便于材料吊装,尽量减少...
劳动力投计划一、总劳动力计划总体劳动力计划表工种按工程施工阶段投入劳动力情况边坡清理边坡力固植物种植舰阶段边坡加固1230126土方工242...
劳动力投入及主要材料、施工机械设备配备计划第一节劳动力配备一、劳动力部署为了保证在投标总计划工期全面完成本工程的各项施工任务,达到...

