劳动力安排计划及劳动力计划表 1、施工劳动力投入的原则及管理要求 为确保工程顺利进行施工,在本工程劳动力组织时,将从公司中抽出具有...
劳动力安排计划及劳动力计划表 1、施工劳动力投入的原则及管理要求 为确保工程顺利进行施工,在本工程劳动力组织时,将从公司中抽出具有...
1. 劳动力安排计划及劳务分包情况1.1. 劳动力组织为配合好在本项目中拟定的整套施工程序及施工工艺,劳动力的投入即要有较强的专业技术,...
劳动力安排计划及劳动力计划表 1、施工劳动力投入的原则及管理要求 为确保工程顺利进行施工,在本工程劳动力组织时,将从公司中抽出具有良...
劳动力安排计划及劳动力计划表 1、施工劳动力投入的原则及管理要求 为确保工程顺利进行施工,在本工程劳动力组织时,将从公司中抽出具有良...
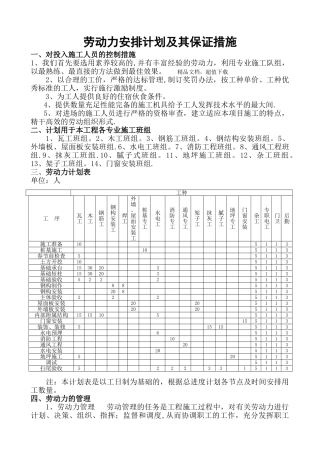
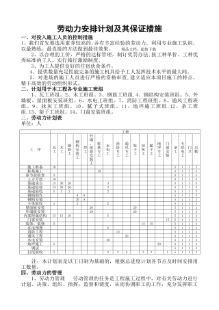
劳动力安排计划及其保证措施一、对投入施工人员的控制措施 1、我们首先要选用素养较高的,并有丰富经验的劳动力,利用专业施工队组,以最熟...
劳动力安排计划及其保证措施一、对投入施工人员的控制措施 1、我们首先要选用素养较高的,并有丰富经验的劳动力,利用专业施工队组,以最熟...
劳动力安排计划及其保证措施一、对投入施工人员的控制措施 1、我们首先要选用素养较高的,并有丰富经验的劳动力,利用专业施工队组,以最熟...
劳动力安排计划施工劳动力是工程施工的直接操作者,也是工程质量、进度、安全和文明施工的直接保证者。因此,劳动力配备是整个工程实施的又...
第四章、劳动力安排计划1、劳动力的选择 进行劳动力的选择时应考虑以下因素: 1)劳动力素养:为保证现场施工质量,需根据本工程的特点,...
劳动力安排计划及其保证措施一、对投入施工人员的控制措施 1、我们首先要选用素养较高的,并有丰富经验的劳动力,利用专业施工队组,以最熟...
第一章 For personal use only in study and research ; not for commercial use第二章 劳 动 力 安 排 计 划一、 ...
劳动力安排计划一、劳动力安排计划劳动力是顺利展开施工、按计划完成各项施工任务、避开停工和窝工浪费、节约开支、降低成本的重要保证。根...
第四章、劳动力安排计划1、劳动力的选择 进行劳动力的选择时应考虑以下因素: 1)劳动力素养:为保证现场施工质量,需根据本工程的特点,选...
第一章 For personal use only in study and research ; not for commercial use第二章 劳 动 力 安 排 计 划一、 ...
第四章、劳动力安排计划1、劳动力的选择 进行劳动力的选择时应考虑以下因素: 1)劳动力素养:为保证现场施工质量,需根据本工程的特点,...
第一章 For personal use only in study and research; not for commercial use第二章 劳 动 力 安 排 计 划一、 劳动...
劳动力和材料投入计划及其保证措施一 劳动力投入计划和保证措施公司将成立一个由项目管理部、项目经理部、质量负责人组成的“劳务人员选择...
山西省图书馆室内装修专业工程施工投标文件(三)劳动力和材料投入计划及保证措施第五章 劳动力、主要设备材料的进场计划及保证措施 -—-...
劳动力储备中心管理办法(试行)为持续深化企业内部改革,充分发挥内部劳动力储备中心的高效配置资源作用及“蓄水池”作用,加快人力资源有序...

