液 压 与 气 压 传 动 课 程 标 准 一 、 课 程 名 称 液 压 与 气 压 传 动 。 二 、 适 用 专 业 机 电...
液压与气压传动 课程设计说明书 专 业:机械设计制造及其自动化 班 级: 13 机 二 学 号: ******** * 名: *** 指导教师:...
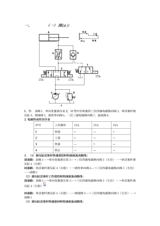
1 《液压与气压传动》课程试题库及参考答案 一、填空题 1. 液压系统中的压力取决于(负载),执行元件的运动速度取决于(流量)。 2....
第三章 液压马达与液压缸 3-1 某一减速机要求液压马达的实际输出转矩T=52.5N.m,转速n=30r/min。设液压马达排量V=12.5cm3/r,容积效率η...
液 压 与气压 传动考试题及答案 一 .单 项 选 择 题 ( 每 小 题 2 分 , 共 50 分 ) 1. 二 位 五 通 阀 在 ...
液压与气压传动考试复习题 一、填空题 1 .液压系统中的压力取决于( 负载) , 执行元件的运动速度取决于( 流量 )。 2 .液压传...
液压与气压传动作业2 及答案 一、填空题 1.流量控制阀是通过调节阀口的_大小_来改变通过阀口油液的_流量_,从而控制执行机构_运动速度_...
1 液压与气动技术习题集 绪论 一.填空题 1.液压传动是利用液体的 压力能 传递运动和进行控制的,而液力传动是以液体中的 动能 传...
第一章 液压与气压传动概述 1.1 谓液压传动和气压传动?液压传动和气压传动系统有哪些基本组成部分?各部分的作用是什么? 1.2 气压传...
第一章习题答案 1-1 填空题 1.液压传动是以(液体)为传动介质,利用液体的(压力能)来实现运动和动力传递的一种传动方式。 2.液压传...
1 2 -2 解:由公式得: 2 -3 解: 2 -8 解:由连续性方程可得 1122v Av Aq 221111[ ()() ]22Ddqv ...
第4章 液压缸 ● 液压缸的 主 要 形 式 : 液压缸:将 液压能 转 换 为 机 械 能( 执 行 元 件 ),用 来 驱 动...
液压与气压传动实验指导书 主编 王廷军 黄晓宇 上海电机学院 2013年 6月 i 前 言 《液压与气压传动》课程是机械类各专业的一门技...
液压与气压传动实验 实验一 油泵性能 一、实验目的 1、通过实验了解油泵的主要技术性能,测定油泵的流量特性、容积效率和总效率。 2....
第 1 页 液压复习题 一、简答题 1、什么是液压传动? 以液体为介质来进行能量传递实现各种机械的传动和控制 2、管路中的压力损失哪...
1 概述、液压泵和马达练习题 一、填空题 1、液压泵是一种能量转换装置,它将机械能转换为(液压能)是液压传动系统中的动力元件。 2、...
第六章 液压辅助元件 6.1 答: 网式滤油器 结构简单,通油能力大,清洗方便,但过滤精度较低。 线隙式滤油器 结构简单,通油能力大...
标准编号JB/T 5120-2000JB/T 5121-1991JB/T 5122-1991JB/T 5123-1991JB/T 5124-1991JB/T 5919-1991JB/T 5920.1-1991JB/T 5921-1991...
1 第一章 绪 论 1-1 液压系统中的压力取决于( ),执行元件的运动速度取决于( )。 1-2 液压传动装置由( )、( )、( ...
液压与气动技术习题库及答案经典

