下载后可任意编辑电气调试施工危险点分析及预控措施序号作业活动危险点/危险源危害后果预控措施1通用部分1.1施工组织1.1.1施工安技术措施无...
精品文档下载 最新资料,word 文档,可以自由编辑!!下载后可任意编辑【本页是封面,下载后可以删除!】宁夏大坝发电有限责任公司#3、#4...
下载后可任意编辑 精品文档下载 最新资料,word 文档,可以自由编辑!!下载后可任意编辑【本页是封面,下载后可以删除!】常熟中南世纪...
下载后可任意编辑 精品文档下载 1最新资料,word 文档,可以自由编辑!!下载后可任意编辑【本页是封面,下载后可以删除!】中国化学工程...
下载后可任意编辑本页为作品封面,下载后可以自由编辑删除,欢迎下载!!! 精 品文档1【精品 word 文档、可以自由编辑!】电气工程系...
下载后可任意编辑 精品文档下载 0最新资料,word 文档,可以自由编辑!!下载后可任意编辑【本页是封面,下载后可以删除!】 电气仪表安...
下载后可任意编辑本页为作品封面,下载后可以自由编辑删除,欢迎下载!!! 精 品文档1【精品 word 文档、可以自由编辑!】电力工程调...
XXXX办公楼给排水系统调试方案一、 系统简介:本工程包含给水系统、 热水供应系统及污废水排放系统和消防给水系统、自动喷淋系统。给水系...
精品资料可编辑XXXXX工程电气调试方案编制单位:2008 年 4 月 25 日精品资料可编辑目录一、概况二、组织架构及人员安排三、准备工作四...
8 号机组启动试运行调试大纲批准:审核:编制:大唐衡阳发电股份有限公司2013 年 2 月 3 日8#机组启动试运行调试大纲目录第一章总则...
湖南创元电厂工程# 1 机组分部试运及整套启动调试危险点分析与控制措施批准:王迪光审核:胡迪安孙玉军编写:黄汉武二零零七年九月湖南...
华 润 海 丰 发 电 有 限 公 司 # 2机 组INFIT 优化控制系统热态调试方案2015 年 11 月编写:审核:审定:批准:目录0 编...
第十二章机电设备安装与调试12.1 概述临船坝段改建冲沙闸工程机电设备安装与调试工程包括设备的开箱、保管、运输、安装、检查及调试。将依...
江苏省工业园区机场路、北望湖角住宅地块(300#)工程机电安装工程调试方案上海建工集团股份有限公司上海一建集团安装工程有限公司二 O ...
一、消防系统调试组织机构图及岗位职责1.1 调试工作机构图调试组织机构人员安排:调试指挥: 季方才、闻和平、姚鹏电气调试负责人: 卫...
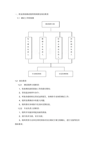
一、机电系统调试组织机构图及岗位职责1.1 调试工作机构图1.2 岗位职责1.2.1 调试指挥小组职责:1、检查调试前的准备工作的落实情况;2...
电工电子类机电一体化设备组装与调试工程一、判断题1. ( ) PLC 可编程序控制器输入部分是收集被控制设备的信息或操作指令。( 正确 )...
1 / 10 一套技能大赛题目机电一体化设备组装与调试工作任务书请你按要求在4h 内完成下列工作任务一、请按图 1 及其要求完成工件分拣...
广安市城市生活垃圾焚烧发电项目-热控专业措施方案报审表工程名称:广安市城市生活垃圾焚烧发电项目文件编号: HDDQ-RKCS10 致: 四川赛...
机械防排烟系统调试开通报告年月日工程名称地址调试范围防排烟系统所涉及到的所有楼层部位质量结果□符合规定□不符合规定特殊情况说明:正...

