第1页共41页编号:时间:2021年x月x日书山有路勤为径,学海无涯苦作舟页码:第1页共41页济南浙江五金建材城一期住宅项目5#楼钢筋施工专项方...
技术交底记录编:工程名称武汉轨道交通四线二工程区间及车站土建施工第二标段分部工程围护构造分项工程钻孔灌注桩钢筋笼制安交底日2021-04-...
钢筋施工方案目录一、编制依据.........................................................................................................
第1页共32页编号:时间:2021年x月x日书山有路勤为径,学海无涯苦作舟页码:第1页共32页柴马村城中村改造项目(腾业国王镇)DK-1四标段钢筋...
第1页共11页编号:时间:2021年x月x日书山有路勤为径,学海无涯苦作舟页码:第1页共11页钢筋制作与安装施工方案1工程概况荆岳长江公路大桥...
目录1工程概况编制依据................................................................................................................
第1页共42页编号:时间:2021年x月x日书山有路勤为径,学海无涯苦作舟页码:第1页共42页锦绣城3#楼工程钢筋分项工程施工方案第2页共42页第1...
目录第一章编制依据.....................................................................................................4第二章工程...
第1页共31页编号:时间:2021年x月x日书山有路勤为径,学海无涯苦作舟页码:第1页共31页综合训练馆工程钢筋工程施工方案编制单位:兴华建设...
北京市建筑装饰设计工程有限公司钢筋工程施工方案目录1、编制依据........................................................................
钢筋施工方案衡阳市珠晖水厂主体及试生产技术服务工程钢筋施工方案建设单位:衡阳市海朗水务有限公司施工单位:湖南四建安装建筑有限公司监...
第1页共28页编号:时间:2021年x月x日书山有路勤为径,学海无涯苦作舟页码:第1页共28页目录1.编制依据.....................................
第1页共40页编号:时间:2021年x月x日书山有路勤为径,学海无涯苦作舟页码:第1页共40页目录第一章工程概况.................................
第1页共47页编号:时间:2021年x月x日书山有路勤为径,学海无涯苦作舟页码:第1页共47页钢筋工程施工方案一、概述本工程钢筋等级主要为Ⅰ级...
目录一、编制依据................................................................................................................3...
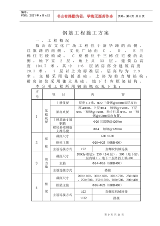
第0页共21页编号:时间:2021年x月x日书山有路勤为径,学海无涯苦作舟页码:第0页共21页钢筋工程施工方案一、工程概况临沂市文化广场工程位...
第1页共62页编号:时间:2021年x月x日书山有路勤为径,学海无涯苦作舟页码:第1页共62页日月星城高层公寓钢筋专项施工方案1.编制说明1.1编...
安图生物体外诊断产业园综合办公楼及试剂研发中心工程钢筋工程施工方案编制人:审核人:审批人:编制日期:2013年9月10日中天建设集团第九...
第1页共23页编号:时间:2021年x月x日书山有路勤为径,学海无涯苦作舟页码:第1页共23页目录1、编制依据....................................
中天建设集团有限公司天津星华府置业有限公司比松花园项目天津星华府置业有限公司比松花园项目钢筋工程专项施工方案编制人:陈赛菊审核人:...

