世界各国电压频率和电源插头规格对照表国(地区)名电压周率插头备注英文中文VOLTAGEHZPLUGREMARK北美洲NorthAmerica加拿大Canada120V60HzA&B...
专业整理分享监控立杆规格:基本结构:常用监控立杆道路监控杆电子警察立杆八角由立杆、连接法兰、造型支臂、安装法兰及预埋钢结构构成。监...
隔膜泵(采购)技术规格书编制:审核:批准:xxx技术规格书第3页/共5页xxx技术规格书第2页/共5页适用的标准规范:GB3836.1-2000爆炸性气体...
需求规格说明书第一章综述若采用分册编制方式组织,则本章与第二章、第三章单独成册,其它分册可略去本章、第二章和第三章内容。1.1编制目...
.........ELENESSA电梯技术规格(1-4#梯)一、电梯基本参数产品型号:ELENESSA控制方式:32位全电脑控制(VVVF)操作系统:2C-2BC额定载重...
常用镀锌钢管规格表公称口径外径壁厚镀锌管壁黑铁管增加的重量系数MMMMMM普通钢管加厚钢管610.021.0641.059813.52.751.0561.0461017.03.501...
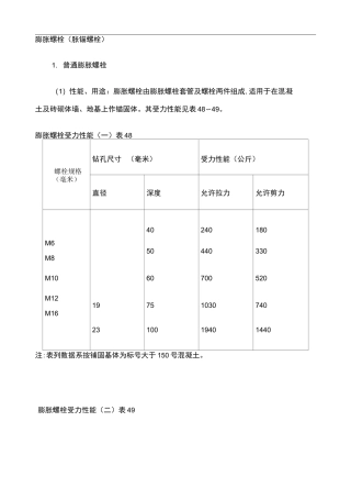
膨胀螺栓受力性能(二)表49膨胀螺栓(胀锚螺栓)1.普通膨胀螺栓(1)性能、用途:膨胀螺栓由膨胀螺栓套管及螺栓两件组成,适用于在混凝土及...
常见c型钢规格表各行数字含义(以C80×40x20×2.5为例):C80×40x20×2.5:截面高度H=250mm;截面宽度B=80mm;卷边宽度C=20mm;厚度t=2.5m...
表1环形防喷器(A型)规格及技术参数型号通径(mm)工作压力(MPa/psi)强度试压(MPa/psi)液控压力(MPa/psi)关闭油量(l)开启油量(l)外形尺寸(mm...
钢丝绳的规格与参数一、谈一下钢丝绳生产所用的钢丝原材料钢丝就是钢丝绳最根本的原材料,钢丝性能的好坏从根本上影响着钢丝绳质量的好坏,...
管道壁厚标准规格表1、规格碳钢、不锈钢、铬钼钢管钛管公称直径低压中压高压低压中压mm寸(A)φ(B)φ(A)φ(B)φ碳钢不锈钢、铬钼钢(B)φ(B)...
导线截面积和电流的关系一.导线型号规格B系列归类属于布电线,所以开头用B,电压:300/500V。(布局在墙上不动的线)V就是PVC——聚氯乙烯...
集装箱规格140英尺X8英尺X8英尺6吋,简称40尺货柜;及近年较多使用的40英尺X8英尺X9英尺6吋,简称40尺高柜。20尺柜:内容积为5.69米X2.13米...
电线电缆表示方法主要由型号、规格及标准编号这三个部分组成。1、型号的含义电气装备用电线电缆及电力电缆的型号主要由以下七部分组成:有...
http://www.yhcloud.com.cn软件需求规格说明书软件需求规格说明书湖南长沙阳环科技实业有限公司http://www.yhcloud.com.cn文件更改摘要:第...
网上招聘系统需求规格V1.0实验一需求规格说明书专业10级软工学号姓名北京长江软件公司评审日期:2012年2月28日项目编号201202006文档编号1...
电缆线规格型号一览表2014-04-30庋藏天下阅244055转1639转藏到我的图书馆微信分享:电缆线规格型号一览表一、电线电缆产品主要分为五大类:1...
等径三通异径三通等径四通StraightTeeReducingTeeCross公称通径NominalDiameter坡口处外径OutsideDiameter中心至端面CentertoEndD1D2DNNPSA...
常用螺栓的标准及规格表国家标准规定了螺纹规格为M3~M64,A和B级的六角头螺栓.A级用于D<=24和L<=10D或L<=150mm(按较小值)的螺栓;B级用于D>24...
10t-16m固定式起重机技术规格书1、总则1.1本规范书适用于蚌埠新港前方作业区改造工程1台lot-16m单臂架固定起重机,以下简称“起重机”设备...

