软件工程大作业《教务管理系统》需求规格说明书班级:142012小组成员:张烜仪鲍健昕杨鑫安娜王港目录1引言..................................
PZ30配电箱规格尺寸钢板厚度面板尺寸暗装箱体尺寸明装箱体尺寸面板壳体ABABCABCPZ30-041751571401258017515780PZ30-0623020020016890230200...
托普集团项目过程文文件……软件需求规格说明书四川托普集团技术文档卷号:卷内编号:V1.0版多层体系政务框架平台之一行政服务中心政务平台...
砂轮的种类与性能一、砂轮的种类与性能(一)、概况砂轮是磨削加工中最主要的一类磨具。砂轮是在磨料中加入结合剂,经压坯、干燥和焙烧而制...
Confidential(秘密)XXXX需求规格说明书需求规格说明书需求规格说明书文档标识:TW_PROC_RM_301当前版本:1.0当前状态:草稿发布日期:发...
学生学籍管理该文件负责人:小组成员:需求规格说明书目录目录...........................................................................
项目编号:项目名称:需求规格说明书状态草稿标识号项目编号-SRS初始版当前版本V1.0修订版发布日期模板编号Q/CISDI2C1.3.4.3密级无...
需求规格说明书目录第一章综述.........................................................................................................
学校教材订购系统(Schoolmaterialsorderingsystem)软件需求规格说明书计算081项目小组文档状态:文档编号:[]Draft[√]Released[]Modifyi...
DOC.NO.FuncDesign_YYYY_XXXXConfidential(秘密)XX算法需求规格说明书VersionVX.x北京易视腾科技有限公司文档信息版本修订记录版本修改人...
精品可编辑//开发人员市场人员研发人员到客户现场做需求调研//编写需求说明书[项目的规范、项目中功能、这些功能由哪些用户操作、处理的业...
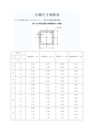
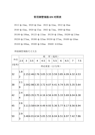
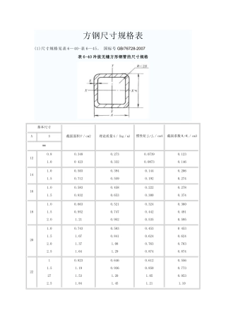
Forpersonaluseonlyinstudyandresearch;notforcommercialuse工字钢规格表及工字钢理论重量表工字钢也称钢梁,是截面为工字形的长条钢材。其...
磷酸酯双淀粉等个食品添加剂的质量规格标准DDDDDDDD项目指标干燥失重<谷类淀粉;土豆淀粉;其他单体淀粉残留量()<重金属(以计)()<铅...
软件产品开发文档(规格说明书)作者:日期:例:软件产品开发文档一、需求规格说明书1•引言1.1编写目的在软件项目开发过程的初期,用户对...
集装箱车尺寸及规格参数表如以下几种1.杂货集装箱参数表参数参数20英尺箱20英尺箱20英尺箱40英尺箱40英尺箱材质A(铝制)B(铝制)C(钢制...
XX煤矿主斜井带式输送机技术要求2013年1月2XX煤矿主斜井带式输送机技术要求一、总则1、XX煤矿位于XX市XXXX。2、本技术条件的使用范围仅限于...
呼图壁县西沟煤炭有限公司煤矿主斜井(上部/下部)带式输送机技术规格书工程编号:S12036工程规模:0.9Mt/a(前期)/2.4Mt/a(后期)设计:...
目录目录.............................................................................................................................
项目名称产品需求规格说明书文件状态:[√]草稿[]正式发布[]正在修改文件标识:Company-Project-RD-PRS当前版本:X.Y作者:完成日期:Year-...
贴片钽电容规格和封装一、贴片钽电容简述贴片钽电容(以下简称钽电容)作为电解电容器中的一类。广泛应用于各类电子产品,特别是一些高密度组...

