(1)尺寸规格见表6—40-表6—45。 表6 -4 0 冷拔无缝方形钢管的尺寸规格 基本尺寸 截面面积F/cm2 理论质量G/(kg/m) 惯性矩 Jx=J...
方钢尺寸规格参数表 (1)尺寸规格见表6—40-表6—45。 国标号 GB/76728-2007 表6-40 冷拔无缝方形钢管的尺寸规格 基本尺寸 截面面积F...
方形钢管特性表GB 6728-2002 边长/Amm 壁厚/t mm 理论重量 kg/m 截面面积 cm2 惯性矩 cm4 截面模数 cm3 惯性半径 cm 80*80...
矩形管理论重量表|矩形管国标标准 理论重量表 基本尺寸 截面面积 F /cm2 理论质量G /(kg/m) 惯性矩 截面系数 A B S Jx Jy...
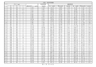
hbtIx (cm4)Wx (cm3)ix (cm)Iy (cm4)Wy (cm3)iy (cm)1503034.443.4914.215.691.796.184.121.18250303.55.114.0116.016.401.776.894...
矿用潜水电泵 技 术 规 格 书 潜水电泵 一、使用条件 电泵在下列使用条件下,能连续正常运行。 (1)水温不超过40℃。 (2)水中...
弹性挡圈规格尺寸标准 孔用弹性挡圈 轴用弹性挡圈 孔径 外径 内径 厚度 钳孔 孔径 外径 内径 厚度 钳孔 8 8 .7 7 0 .6 ...
AWG 是American Wire Gau ge 的简称,单线导体是根据直径、绞线是根据横截面积来决定线号。 CANARE 公司使用的导体线号如下表所示。...
◆ 碳钢(10#、 20#、 A3、 Q235A、 20G、 16Mn、 ASTM A234、 ASTM A105、 ASTM A403 等); ◆ 奥氏体不锈钢( 1Cr18Ni9...
异径三通规格表|等径三通规格表 公称通径 坡口处外径 中心至端面 D1 D2 DN NPS A 系列 B 系列 A 系列 B 系列 C M 15×15...
异径三通规格表|等径三通规格表|异径三通规格型号表 公称通径 Nominal Diameter 坡口处外径 Outside Diameter 中心至端面 Center ...
异径三通规格表|等径三通规格表|异径三通规格型号表 公称通径 Nominal Diameter 坡口处外径 Outside Diameter 中心至端面 Center ...
天然气地面工程设备技术规格书模板 CPE-SW-JG-2009/A 设备技术规格书模板 第 卷 共 册 第 册 2009-12-31 发布 2010-03-01 实施...
例:蜗杆传动,已知模数m=4.蜗杆头数 z1=1,蜗轮齿数 z2=50, 特性系数 q=10。求传动中心距 a=?变位系数 0 时:中 心 距a= ( 蜗...
蒸发系统技术规格书1. 适用范围本规格书适用于中国科学院上海应用物理研究所低放废水处理系统 0.2m3/h 蒸发系统的设计、制造、采购、检...
英美制螺丝规格说明4#- 40 * 1/2螺纹直径牙数长度表示螺纹直径为 4#,算成公制即 2.84mm。牙数为 40 圈,即 1 英寸长的距离有 40...
整理文本电缆规格与功率计算默认分类 2009-10-2510:50:39 阅读 485 评论 0 字号:大中小导线截面积与载流量的计算(导体的)(连续)...
下载后可任意编辑2024 年凭规格销售合同甲方: 乙方: 签订地点: 签订时间: 合同编号: 下载后可任意编辑_________________公司___...
4、货物技术规格标准、主要技术数据等4.1 货物技术规格标准及主要技术数据采用 25mm 厚进口巴西世贸金麻优质花岗岩,色泽同招标人要求。...
百度文库- 让每个人平等地提升自我1 《TOLO航空订票系统》需求规格说明书目录1.引言 ..................................................

