第1页共14页编号:时间:2021年x月x日书山有路勤为径,学海无涯苦作舟页码:第1页共14页北京市生态休闲旅游区评定规范2009-11-03来源:综合...
第1页共140页编号:时间:2021年x月x日书山有路勤为径,学海无涯苦作舟页码:第1页共140页发电电气设备安装工程单元工程质量验收评定表(共...
gICS03.200A12中华人民共和国国家标准GB/T14308—2010代替GB/T14308—2010饭店星级的划分与评定Classification&AccreditationforStar-rated...
第1页共34页编号:时间:2021年x月x日书山有路勤为径,学海无涯苦作舟页码:第1页共34页湖北省农家乐星级划分与评定(征求意见稿)1范围本...
DB34/T755—2007ICSDB34安徽省地方标准DB34/T755—20072007-12-04发布2007-12-04实施安徽省质量技术监督局发布I农家乐旅游等级划分与评定DB...
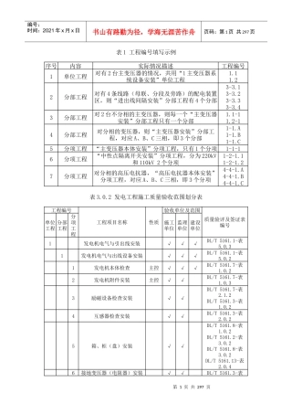
第1页共297页编号:时间:2021年x月x日书山有路勤为径,学海无涯苦作舟页码:第1页共297页表1工程编号填写示例序号内容实际情况描述工程编...
冶金等工贸企业安全生产标准化基本规范评分细则考评说明1.本评分细则适用于冶金、有色、建材、机械、轻工、纺织、烟草、商贸等行业企业(以...
公路工程质量检验评定标准(JTGF80/12012)138——11公路工程质量检验评定标准(JTGF80/1-2012)1总则........................................
第1页共7页编号:时间:2021年x月x日书山有路勤为径,学海无涯苦作舟页码:第1页共7页星级饭店网上申报操作指南饭店用户信息申报步骤1.星级...
公路工程质量检验评定标准(JTGF80/1-2004)1总则1.0.1目的为了加强公路工程质量管理,统一公路工程质量检验标准和评定标准,保证工程质量,...
第1页共53页编号:时间:2021年x月x日书山有路勤为径,学海无涯苦作舟页码:第1页共53页中华人民共和国国家标准钢结构工程质量检验评定标准...
—3—附件1医疗器械生产质量管理规范检查评定标准(征求意见稿)按照《医疗器械生产质量管理规范》的要求,为了规范对医疗器械生产企业的现...
市政排水管渠工程质量检验评定标准
评表(115)悬臂式标志安装实测项目质量检验评定表编号:项目名称施工单位合同段桩号或范围监理单位公路等级项次检测项目规定值或允许偏差...
第1页共93页编号:时间:2021年x月x日书山有路勤为径,学海无涯苦作舟页码:第1页共93页中华人民共和国行业标准JTGF80/2-2004公路工程质量...
仅限参考学习使用GB/T14308-2010中国星级饭店评定报告书饭店名称(中文)(英文)申请星级所在地区填报日期全国旅游星级饭店饭店评定委员会...
第1页共14页编号:时间:2021年x月x日书山有路勤为径,学海无涯苦作舟页码:第1页共14页企业名称:验收日期:年月日云南省兽药GSP检查验收...
第1页共17页编号:时间:2021年x月x日书山有路勤为径,学海无涯苦作舟页码:第1页共17页中华人民共和国评定旅游涉外饭店星级的规定一、总则...
射线照相底片的评定《射线检测》补充教材编写:王学冠中国锅炉压力容器检验协会教育工作委员会二○○四年六月第六章射线照相底片的评定评定...
平衡功能评定学课件•平衡功能基本概念与原理•平衡功能评定方法与技术•各类平衡障碍特点与评估•平衡功能训练方案制定与实施•平衡功能评...

