电脑桌面
添加小米粒文库到电脑桌面
安装后可以在桌面快捷访问

SL634-XXXX堤防工程质量评定表VIP免费

SL634-XXXX堤防工程质量评定表_第1页
1/39
SL634-XXXX堤防工程质量评定表_第2页
2/39
SL634-XXXX堤防工程质量评定表_第3页
3/39
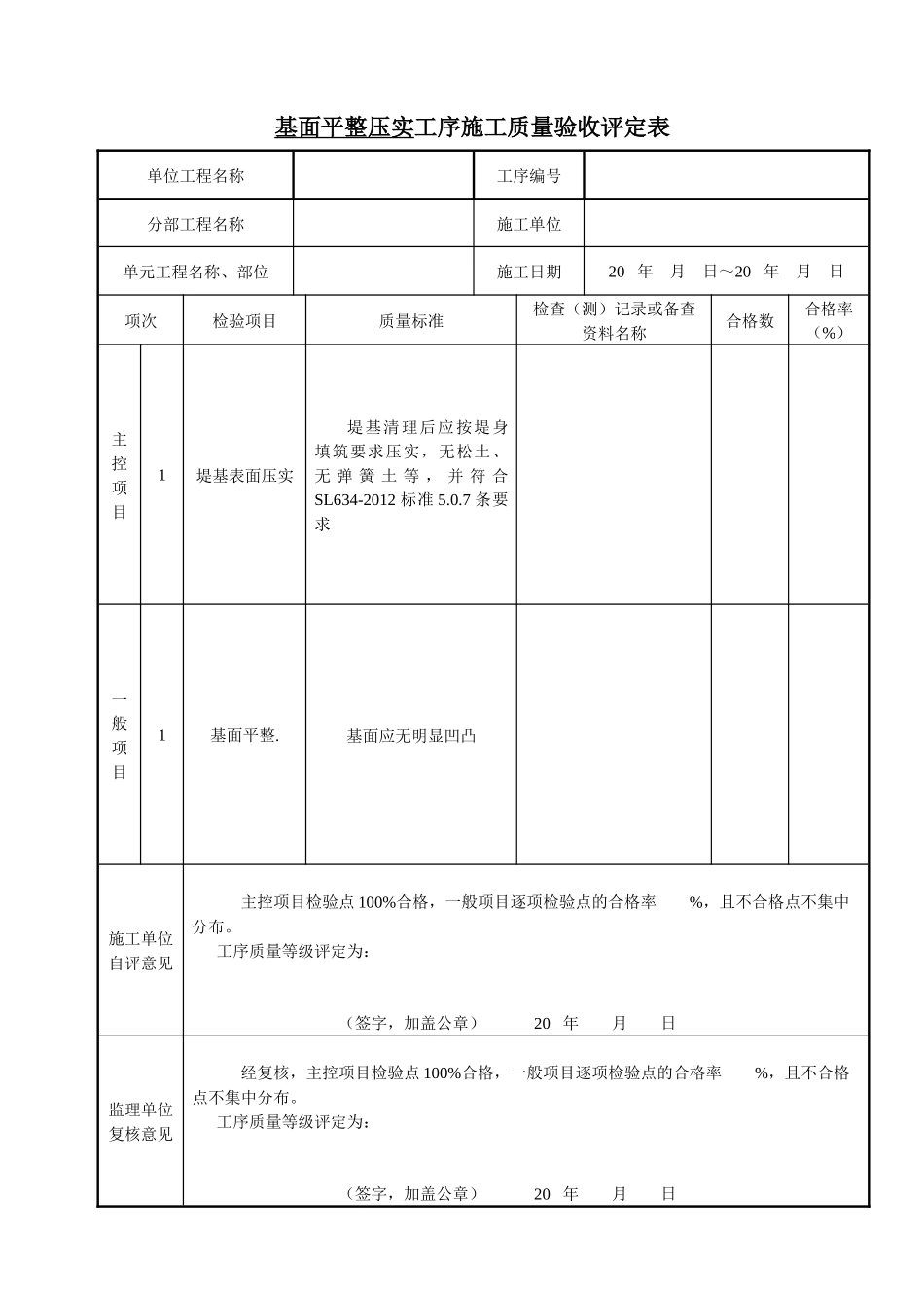
堤基清理单元工程施工质量验收评定表单位工程名称单元工程量分部工程名称施工单位单元工程名称、部位施工日期20年月日~20年月日项次工序名称、编号工序质量验收评定等级主要工序1基面平整2一般工序1基面清理2施工单位自评意见各工序施工质全部合格,其中优良工序占%,且主要工序达到等级。单元工程质量等级评定为:(签字,加盖公章)20年月日监理单位复核意见经抽查并查验相关检验报告和检验资料,各工序施工质全部合格,其中优良工序占%,且主要工序达到等级单元工程质量等级评定为:(签字,加盖公章)20年月日注1:对重要隐蔽单元工程和关键部位单元工程的施工质量验收评定应有设计、建设等单位的代表签字,具体要求满足SL176的规定。注2:本表所填“单元工程量”不作为施工单位工程量结算计量的依据。基面清理工序施工质量验收评定表单位工程名称工序编号分部工程名称施工单位单元工程名称、部位施工日期20年月日~20年月日项次检验项目质量标准检查(测)记录或备查资料名称合格数合格率(%)主控项目1表层清理堤基表层的淤泥、腐殖土、泥炭土、草皮、树根、建筑垃圾等应清理干净2堤基内坑、槽、沟、穴、等处理按设计要求清理后回填、压实,并符合SL634-2012标准5.0.7条的要求3结合部处理清除结合部表面杂物,并将结合部挖成台阶状一般项目1清理范围基面清理包括堤身、戗台、铺盖、盖重、堤岸防护工程的基面,其边界应在设计边线外0.3~0.5m。老堤加高培厚的清理尚应包括堤坡及堤顶等施工单位自评意见主控项目检验点100%合格,一般项目逐项检验点的合格率%,且不合格点不集中分布。工序质量等级评定为:(签字,加盖公章)20年月日监理单位复核意见经复核,主控项目检验点100%合格,一般项目逐项检验点的合格率%,且不合格点不集中分布。工序质量等级评定为:(签字,加盖公章)20年月日基面平整压实工序施工质量验收评定表单位工程名称工序编号分部工程名称施工单位单元工程名称、部位施工日期20年月日~20年月日项次检验项目质量标准检查(测)记录或备查资料名称合格数合格率(%)主控项目1堤基表面压实堤基清理后应按堤身填筑要求压实,无松土、无弹簧土等,并符合SL634-2012标准5.0.7条要求一般项目1基面平整.基面应无明显凹凸施工单位自评意见主控项目检验点100%合格,一般项目逐项检验点的合格率%,且不合格点不集中分布。工序质量等级评定为:(签字,加盖公章)20年月日监理单位复核意见经复核,主控项目检验点100%合格,一般项目逐项检验点的合格率%,且不合格点不集中分布。工序质量等级评定为:(签字,加盖公章)20年月日土料碾压单元工程施工质量验收评定表单位工程名称单元工程量分部工程名称施工单位单元工程名称、部位施工日期20年月日~20年月日项次工序名称、编号工序质量验收评定等级主要工序1土料碾压2一般工序1土料摊铺2施工单位自评意见各工序施工质全部合格,其中优良工序占%,且主要工序达到等级。单元工程质量等级评定为:(签字,加盖公章)20年月日监理单位复核意见经抽查并查验相关检验报告和检验资料,各工序施工质全部合格,其中优良工序占%,且主要工序达到等级单元工程质量等级评定为:(签字,加盖公章)20年月日注1:对重要隐蔽单元工程和关键部位单元工程的施工质量验收评定应有设计、建设等单位的代表签字,具体要求满足SL176的规定。注2:本表所填“单元工程量”不作为施工单位工程量结算计量的依据。土料摊铺工序施工质量验收评定表单位工程名称工序编号分部工程名称施工单位单元工程名称、部位施工日期20年月日~20年月日项次检验项目质量标准检查(测)记录或备查资料名称合格数合格率(%)主控项目1土块直径符合SL634-2012标准表5.0.5-2的要求2铺土厚度符合碾压试验或SL634-2012标准表5.0.5-2的要求;允许偏差为-5.0~0cm一般项目1作业面分段长度人工作业不小于50m;机械作业不小于100m2铺填边线超宽值人工铺料大于10cm;机械铺料大于30cm防渗体:0~10cm包边盖顶:0~10cm施工单位自评意见主控项目检验点100%合格,一般项目逐项检验点的合格率%,且不合格点不集中分布。工序质量等级评定为:(签字,加盖公章)20年月日监理单位...

1、当您付费下载文档后,您只拥有了使用权限,并不意味着购买了版权,文档只能用于自身使用,不得用于其他商业用途(如 [转卖]进行直接盈利或[编辑后售卖]进行间接盈利)。
2、本站所有内容均由合作方或网友上传,本站不对文档的完整性、权威性及其观点立场正确性做任何保证或承诺!文档内容仅供研究参考,付费前请自行鉴别。
3、如文档内容存在违规,或者侵犯商业秘密、侵犯著作权等,请点击“违规举报”。

碎片内容

SL634-XXXX堤防工程质量评定表

您可能关注的文档

确认删除?
VIP
微信客服
  • 扫码咨询
会员Q群
  • 会员专属群点击这里加入QQ群
客服邮箱
回到顶部