三类人员继续教育练习册三月十日一、单选题1.安全生产法规是国家(B)体系中的一种重要构成部分。 A.经济建设 B.法律 C.生产2.安全生产法...
表1 江西省中小型水利水电工程 岩石地基帷幕灌浆单孔及单元工程施工质量验收评定表 合同工程名称: 合同编码: 单位工程名称 单元工...
水电工程防震抗震设计规范20110713
1 表B -6-2 单位工程质量评定表 工程名称:昌德足木水电站 №: 单位工程名称 主要工程量 万 m 3 施工单位 开竣工日期 序号 ...
水电工程费用构成及概(估)算费用标准(审定稿)20140905G
一、水电工程质量保证措施 (一)给排水工程 1 、质量管理 1 .建筑给水、排水工程施工现场应区有必要的施工技术标准、健全的质量管理...
水电工程机电设备安装监理工作 实施细则 1、机电设备安装工程监理工程师的工作目标:工程监理的目标是控制机电设备安装工程的进度与质量...
范文 范例 学习 指导 w ord 整理版 水 电 工 程 施 工 技 术 交 底 工 程 名 称 : 编 号 : 施 工 单 位 建...
水 电 工 程 施 工 技 术 交 底 工 程 名 称 : 编 号 : 施 工 单 位 建 设 单 位 分 项 工 程 名 称 水...
水电工程对生物多样性的影响及损失核算
水电工程安全监测的收费标准(2005)
13附件2: 水 电 工 程 安 全 鉴 定 管 理 办 法 第一章 总 则 第一条 为加强水电工程安全鉴定工作管理,提高工程验收工...
水电工程图中表示代号 SC:钢管 PC:PVC聚乙烯阻燃性塑料管 CT:桥架 WC:沿墙暗敷设 WS:沿墙明敷设 CC:沿顶板暗敷设 F:暗敷在地板内 C...
第1 页共9 7 页 水利水电工程标准施工招标文件 (2 0 0 9 年版) 中华人民共和国水利部 第 2页 共 97页 水利部 关于印发水利...
水利水电工程鱼道设计导则(SL609-2013) 目录 1 总则………………………………………………………….6 2 术语……………………………...
水利水电建设工程验收规程 发布单位:中华人民共和国水利部 发布时间:1999-3-19 文号:水国科[1999] 118 号 1 总则 2 分部工程验...
水利水电建设工程验收规程 1 总 则 1.0.1 为使水利水电建设工程验收工作制度化、规范化、特制定本规程。 1.0.2 本规程适用于大中型...
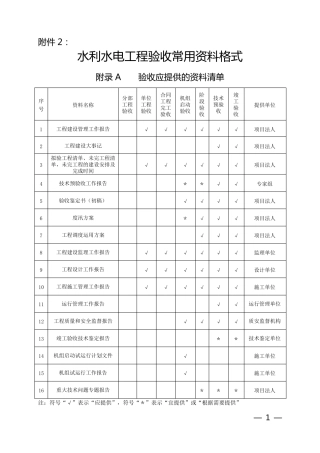
— 1 — 附 件 2: 水利水电工程验收常用资料格式 附 录 A 验收应提供的资料清单 序号 资料名称 分部工程验收 单位工程验收...
DL/T5083—2010 表 F.1 预应力锚索单元工程质量评定表 施工单位: 合同编号: 单位工程名称 分部工程名称 工程部位 锚孔编号 锚...
中华人民共和国水利行业标准替代水利水电工程锚喷支护技术规范发布实施中华人民共和国水利部发布中华人民共和国水利部关于批准发布水利行业...

