水电工程年度工作总结范文作为房地产开发商的一名现场代表,主要负责项目上水电、消防、燃气、供水、供电、亮化、装修方面的管理工作。现总...
第1页共47页编号:时间:2021年x月x日书山有路勤为径,学海无涯苦作舟页码:第1页共47页水利水电工程施工企业三类人员安全生产考核模拟题一...
第1页共10页编号:时间:2021年x月x日书山有路勤为径,学海无涯苦作舟页码:第1页共10页勘察设计注册土木工程师(水利水电工程)资格考试工...
水利水电工程三阶段报告一、单选题【本题型共5道题】1.可行性研究阶段,对于堤防工程设计下列表述错误的是。a.初步选定堤防的结构型式和穿...
水利水电工程竣工验收《工程施工管理工作报告》编写提纲水利水电工程竣工验收《工程施工管理工作报告》编写提纲××工程竣工验收工程概况1....
水利水电工程预制桩验收会议汇报材料大中型水利水电工程移民验收办法第一章总则第一条为加强水利水电工程移民工作管理,促进水利水电工程移...
水电工程修复整改报告关于**华屹·溪谷盛景项目8——11栋强电线路及给水部分配件被盗需恢复的报告云**屹投资开发有限公司:在收到贵公司将...
现行水利水电工程三阶段报告82分1.对于工程选址方案比选的步骤大致可以分为四步()。a.要说明比选原则并拟定比选方案b.进行方案设计c.进行...
现行水利水电工程三阶段报告单选题【本题型共5道题】1.可行性研究阶段,对于堤防工程设计下列表述错误的是(a)。a.初步选定堤防的结构型式...
水电工程合同书〔本文本为word版,可修改编辑〕甲方:乙方:签订日期:第1页,共7页水电工程合同书甲方:__________________(发包方)乙方:...
目次1总则2术语3基本规定4普通混凝土工程5碾压混凝土工程6混凝土面板工程7沥青混凝土工程8预应力混凝土工程9混凝土构件安装工程10混凝土坝...
第4章钢筋工程第一节钢筋的验收与配料一、钢筋的验收与贮存(一)钢筋的验收钢筋进场应具有出厂证明书或试验报告单,每捆(盘)钢筋应有标牌...
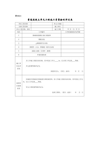
表632.1普通混凝土单元工程施工质量验收评定表单位工程名称单元工程量分部工程名称施工单位单元工程名称、部位施工日期年月日~年月项次工序...
第一部分工程项目施工质量评定表(共有6个表)水利水电工程表01水工建筑物外观质量评定表单位工程名称施工单位主要工程量评定日期年月日项...
水利水电工程分部工程质量评定表表03单位工程名称施工单位分部工程名称施工日期自年月日至年月日分部工程量评定日期年月日项次单元工程种类...
DB34安徽省地方标准DB34/371——2003安徽省水利工程施工质量评定标准2003-09-30发布2003-09-30实施安徽省质量技术监督局发布DB34安徽省地方...
水利水电工程给水排水管道工程施工及验收规范单元工程质量评定表目录J1沟槽开挖与地基处理单元工程质量评定表...............................
目录单位工程质量评定表...........................................................................7分部工程施工质量评定表.............
水利水电工程分部工程质量评定表表03单位工程名称施工单位分部工程名称施工日期自年月日至年月日分部工程量评定日期年月日项次单元工程种类...
水利水电工程表4.1空气压缩机安装单元工程质量评定表单位工程名称单元工程量分部工程名称施工单位单元工程名称、部位检验日期年月日项次检...

