1 ASME 常用词汇 Abrasion, allowance for 磨损,裕量 Accessibility,pressure vessels 压力容器可达性 Access openings 通道...
序号名称位置300 350400 450500 5506006501SA-105PG14-6 20202019.819.6 1918.417.82SA-106BPG10-5 17.1 17.1 17.1 17.117.117.11...
ASME 射线检测规程ProcedureforASMERadiographicExamination(版本Version:1)2010-09-01 发布实施ReleasedandImplementedasofSep.0101,...
标准ASME 第Ⅴ卷(2004 版) 《射线检测》 前 言 “ ASME 锅 炉 压 力 容 器 规 范 ” 是 由 美 国 机 械 工 程 ...
射线II级基础理论试卷 RT Lev el II General Ex amination 姓名: 答卷时间: 地点: Name Time Location 得分: 评卷人:...
ASME和GB的比较
Fittings Indu stry 阀和管件工业制会[美] 标准协会(它是美国标准协会AS准又用“USAS”后加标准编号和但其字母后面的编号仍保持不变 ...
ASME 取证和换证 ASME《取证和换证审查指南》(以下简称《指南》)是一本 ASME 取证和换证必备的工具书。石油设备协会曾于 1993 年组...
ASME厚度计算椭圆封头
1 ASME 常用词汇 Abrasion, allowance for 磨损,裕量 Accessibility,pressure vessels 压力容器可达性 Access openings 通道...
ASMEⅤ无损检测第四章焊缝检测
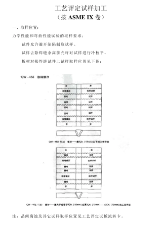
工艺评定试样加工 (按ASME IX 卷) 一、取样位置: 力学性能 和弯曲 性能试验的取 样要 求: a)试件允许避开 缺陷制 取试样。...
ASME 压力容器常用词汇 ASME 美国机械工程师协会 Abrasion, allowance for 磨损,裕量 Accessibility,pressure vessels 压力容...
ASME_B16.92003_工厂制造的锻钢对焊管件中文版
ASME材料规范检索相对应中国材料规范序号ASME材料标准号ASME 材料标准名称所在页 中国材料标准号中国材料标准名称相对应材料1SA-788/SA-7...
ASME_Y14_5M
ASME_SA_1822001高温用锻制或轧制合金钢公称管道法兰、锻制管配件、阀门和零件中文版
ASME B31G-2009 1 适用范围: 1) 位于地上、地下、近海管线的金属损失。 2) 内、外腐蚀引起的金属损失。 3) 通过打磨可以完全修复...
ASME_B16.104_控制阀门阀座泄漏标准_中译本
1 ASME 锅炉及压力容器规范国际性规范 Ⅴ 无 损 检 测 2004版 泄 漏 检 测 2 前言 “ASME 锅炉及压力容器规范”是美国机械...

