电脑桌面
添加小米粒文库到电脑桌面
安装后可以在桌面快捷访问

ASME压力容器工艺评定试板取样尺寸

ASME压力容器工艺评定试板取样尺寸_第1页
1/6
ASME压力容器工艺评定试板取样尺寸_第2页
2/6
ASME压力容器工艺评定试板取样尺寸_第3页
3/6
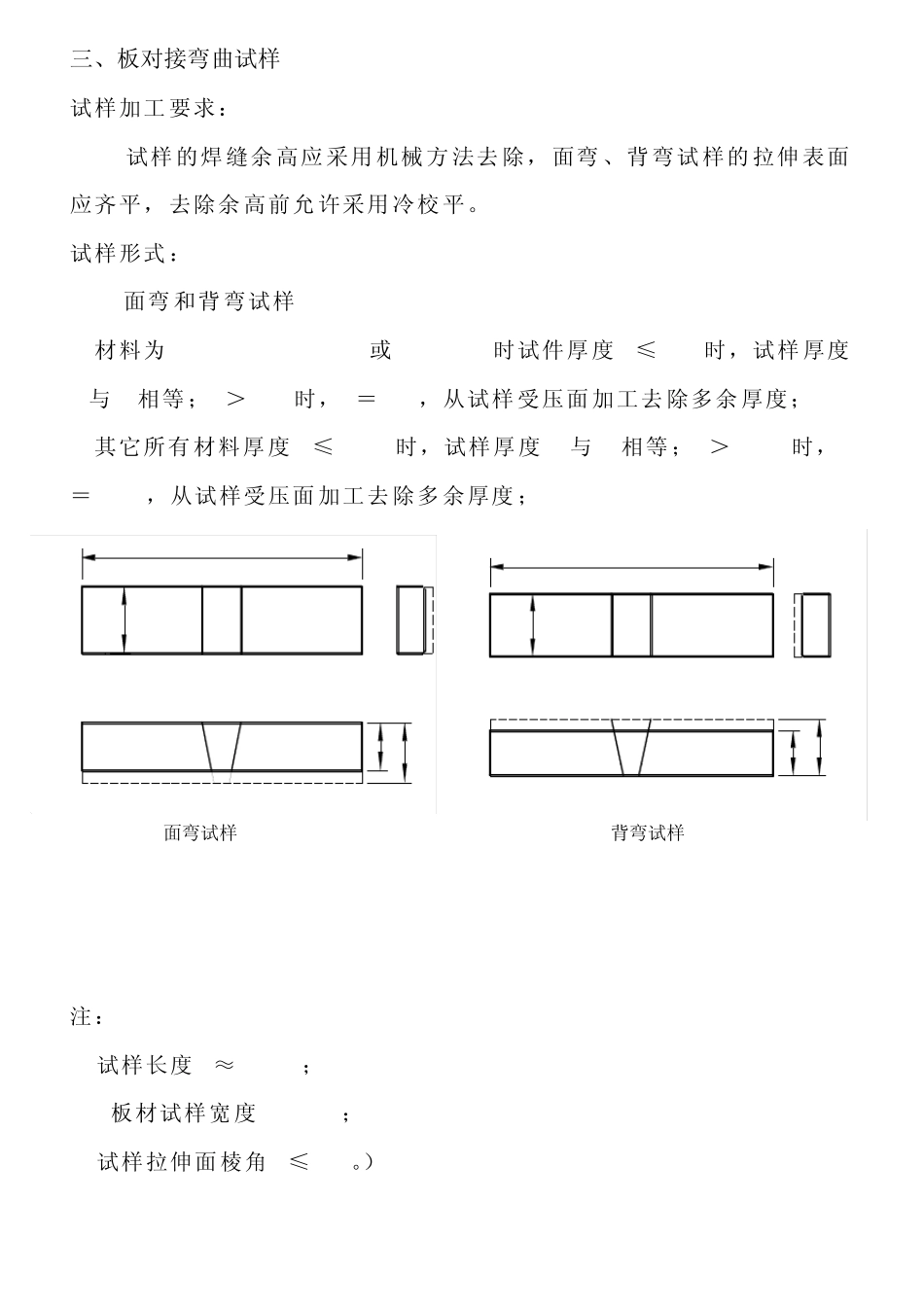
工艺评定试样加工 (按ASME IX 卷) 一、取样位置: 力学性能 和弯曲 性能试验的取 样要 求: a)试件允许避开 缺陷制 取试样。 b)试样去除焊缝 余高前 允许对 试样进行冷 校平。 c)板材对接焊缝 试件上 试样取 样位 置见下 图: 注:晶间 腐蚀及 其它试样取样位置 见工艺评定试板流转 卡。 二、板对接拉伸试样 取样和加工要求: a)试样的焊缝余高应以机械方法去除,使之与母材齐平。试样厚度应等于或接近试件母材厚度T。 b)厚度小于或等于25mm的试件,采用全厚度试样进行试验。 c)当试验机受能力限制不能进行全厚度的拉伸试验时,则可将试件在厚度方向上均匀分层取样,等分后制取试样厚度应接近试验机所能试验的最大厚度。等分后的两片或多片试样试验代替一个全厚度试样的试验(当工艺评定试板流转卡拉伸试样数量要求大于2 时则需分层取样)。 注: S——试样厚度,mm; hk——焊缝最大宽度,mm; h—夹持部分长度,根据试验机夹 具而 定,mm。 hkR256619约250或根据需要6.56.5hS三、板对接弯曲试样 试样加工要求: 试样的焊缝余高应采用机械方法去除,面弯、背弯试样的拉伸表面应齐平,去除余高前允许采用冷校平。 试样形式: a)面弯和背弯试样 1.材料为P-No.23,F-No.23或P-No.35时试件厚度T≤3mm时,试样厚度T与y相等;T>3mm时,y=3mm,从试样受压面加工去除多余厚度; 2.其它所有材料厚度T≤10mm时,试样厚度T与y相等;T>10mm时,y=10mm,从试样受压面加工去除多余厚度; 面弯试样 背弯试样 注: 1 试样长度L≈160mm; 2 板材试样宽 度B=38mm; 3 试样拉伸面棱角 R≤3mm。) L38yTL38yT b)横向侧弯试样。 1.当试件厚度T为10~38mm时,试样宽度等于试件厚度。当试件厚度T大 于38mm时,允许沿试件厚度方向分层切成宽度为19—38mm 等宽的两 片 或多 片 试样的试验 代替 一个 全厚度侧弯试样的 试验 (详 见工艺流转 卡)。 2.材料为P-No.23,F-No.23或 P-No.35时试样宽度W=3mm,T=t; 3.除上述 2所述 材料 ,其它 所有材 料试样W=10mm,从试样受压面 加工去除 多余厚度; 横向侧弯试样 注: 3.试样长度L≈160mm; 4.试样拉伸面棱 角 R≤3mm。 xTyW 四、板对接冲击试样 a)试样取向:试样纵轴应垂直于焊缝轴线,缺口轴线垂直于母材表面。 b)取样位置:在试件厚度上的取样位置(厚度小于等于38mmnn情况)见下图,不锈钢复合板冲击试样只对基层焊缝...

1、当您付费下载文档后,您只拥有了使用权限,并不意味着购买了版权,文档只能用于自身使用,不得用于其他商业用途(如 [转卖]进行直接盈利或[编辑后售卖]进行间接盈利)。
2、本站所有内容均由合作方或网友上传,本站不对文档的完整性、权威性及其观点立场正确性做任何保证或承诺!文档内容仅供研究参考,付费前请自行鉴别。
3、如文档内容存在违规,或者侵犯商业秘密、侵犯著作权等,请点击“违规举报”。

碎片内容

ASME压力容器工艺评定试板取样尺寸

您可能关注的文档

确认删除?
VIP
微信客服
  • 扫码咨询
会员Q群
  • 会员专属群点击这里加入QQ群
客服邮箱
回到顶部