下载后可任意编辑002消杀对象消杀工作内容质量操纵标准周月季1. 灭鼠标准 (1)所辖区域内(包括走廊、楼梯、卫生间、办公区、仓库、停车...
广州工程仿真科技有限公司 工程仿真网 CAE 有限元 工程仿真 有限元软件 工程分析 SMT质量标准 一、SMT质量术语 1、理想的焊点 具...
SKF轴承公司供应商质量标准
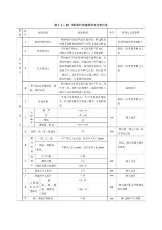
表 5.10.10 预制构件质量原则和检查办法类别序号检查项目质量原则单位检查办法及器具主控项目1构造性能检查☆ 预制构件应进行构造性能检...
前 言本原则规定了汽车外饰件颜色和外观的评价办法、测量条件及颜色偏差的规定。本原则合用于汽车外部装饰件(如保险杠、前格栅、牌照板、...
下载后可任意编辑项目管理处人力行政管理工作质量标准【物业管理经验分享】述职报告—12附件 6 第 6 部份项目管理处人力行政管理工作质...
PCBA 焊接质量标准 拟制: 技术中心 日期: 2 0 1 0 -1 0 -2 1 审核: 日期: 批准: 日期: 杭州图软科技有限公司 杭 ...
交通学院课堂教学质量标准及评价方案课堂教学是教学工作的中心环节和基本组织形式。教师课堂教学质量的优劣,直接关系到学校的办学水平,影...
1(共 8页)园林栽植土质量标准《园林栽植土质量标准》、《垂直绿化技术规程》的统一编号分别分 DBJ08-231-98 自 1998 年 10 月 1...
1、15 号航空液压油 本产品是由石油馏份经分子筛脱蜡、溶剂精制和白土处理后的基础油添加各种功能添加剂调和而成。 本产品主要用作军用...
消毒产品质量标准与说明书的常见问题 时间: 2006-02-07 来源: 综合处 被浏览次数: 3165 文章录入: zhanghb 毒产品说明书及标...
- 1 - 1.基本技术参数备料要求 1.1 含水率――正常湿度环境下要求木材含水率 8%~12%。高湿季节的木材含水率不得超过 15%,同...
工程结算审计质量标准及控制措施 服务方案 我公司针对政府工程政策性强、要求高、结算资金量大、专业种类多、时间紧迫、内容繁琐等特点,...
下载后可任意编辑赢海庄园物业服务质量标准【物业管理经验分享】赢海庄园物业服务质量标准一、综合服务1、依据有关规定,签订法律规范的物业...
地表水环境质量标准欧盟
地 表 水 环 境 质 量 标 准 GB3838-2002 代 替 GB3838-88, GHZB1-1999 2002-04-28 发 布 2002-06-01 实 施 《 地 ...
WORD 格式-专业学习资料-可编辑 --学习资料分享--- 地 表 水 环 境 质 量 标 准 GB3838-2002 代 替 GB3838-88,GHZB1-1999...
.. . .下载可编辑 . . 地表水环境质量标准GB3838-2002 中华人民共和国环境保护法》和《中华人民共和国水污染防治法》,防治水污染,...
地表水环境质量标准(GB38382002)
国 家 环 境 保 护 总 局 目 次 前言 1 范围 2 引用标准 3 水域功能和标准分类 4 标准值 5 水质评价 6 水质监测 7...

