基坑工程施工安全要点一、基坑工程必须按照规定编制、审核专项施工方案,超过一定规模的深基坑工程要组织专家论证。基坑支护必须进行专项设...
单位工程名称南康金融中心一期工程一标段分部分项工程名称地下室顶板防水交底部位2#基坑地下室顶板工种防水班组交底时间2018年月日一、施工...
目录第一章编制说明...................................................................................................................
基坑的特点和挖前准备CATALOGUE目录•基坑工程概述•基坑的特点•挖前准备工作•基坑开挖方法与工艺•基坑支护与加固措施•基坑开挖中的风...
第1页共7页本文格式为Word版下载后可任意编辑和复制基坑支护施工安全生产协议本文基坑支护施工平安生产协议由我细心为您整理,盼望这篇基坑...
土方开挖、基坑支护(降水)安全专项施工方案目录•施工前准备•土方开挖施工方案•基坑支护(降水)安全专项施工方案•现场安全管理与防护措施...
基坑开挖、土方回填危险源辨识及风险分级评价清单评价单位:辨识人:日期:序号调查区域/作业或活动危险源可能导致的事故风险等级控制措施...
深基坑支护设计3设计单位:XXX设计院设计人:XXX设计时间:2016-04-1111:55:10---------------------------------------------------------...
宁夏省上半年安全工程师安全生产:基坑施工时坑边荷载规定模拟试题一、单项选择题(共25题,每题2分,每题的备选项中,只有1个事最符合题意...
内蒙古自治区包头市管廊项目(三期)深基坑开挖安全专项施工方案编制:内部评审:内部审批:中交第一公路工程局有限公司技术中心二〇一六年...
目录第一章工程概况.......................................................................................4第一节工程概况.............
目录一、工程概况............................................................-1-二、编制依据..........................................
3、拉森钢板桩基坑支护方案设计和计算3.1、基本情况城展路环城河桥桥台位于河岸上,基坑开挖深度较小;桥墩长24m,宽1.7m,右偏角90°,系...
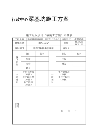
行政中心深基坑施工方案施工组织设计(或施工方案)审批表工程名称邯郸国际陆港项目一期工程-行政中心结构形式框架结构建筑面积17954.01㎡...
深基坑安全防护专项方案>方案一:深基坑安全防护专项方案为了保证深基坑作业施工人员安全,防止边坡失稳坍塌、以及深基坑周围防护不严而发...
基坑支护设计任务书1、项目概况1.1项目名称:1.2建设单位:1.3项目位置:1.4项目概况:1.5工程设计单位:1.6工程勘察单位:2、基坑支护设计...
道路建设工程排水管道深基坑开挖施工方案计算书一、工程概况桂林市西二环路二合同段污水管道工程的起点K12+655,终点K17+748,埋设管道为...
保定市第一中心医院污水处理站基坑支护、降水施工方案目录1编制依据.............................................................12工程...
项目基坑围护工程履带吊安拆方案目录第一章、编制依据...................................................................................
沟槽(基坑)土方开挖检验批质量验收记录表B.0.1编号:010001□□工程名称分部工程名称分项工程名称沟槽(基坑)土方开挖施工单位施工员项...

