电脑桌面
添加小米粒文库到电脑桌面
安装后可以在桌面快捷访问

行政中心深基坑施工方案VIP免费

行政中心深基坑施工方案_第1页
1/27
行政中心深基坑施工方案_第2页
2/27
行政中心深基坑施工方案_第3页
3/27
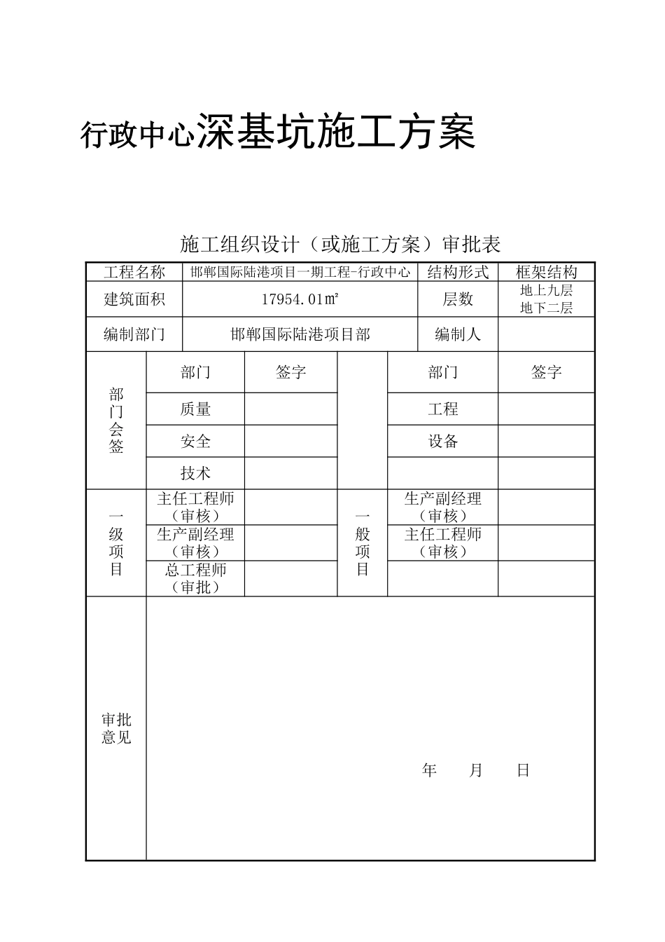
行政中心深基坑施工方案施工组织设计(或施工方案)审批表工程名称邯郸国际陆港项目一期工程-行政中心结构形式框架结构建筑面积17954.01㎡层数地上九层地下二层编制部门邯郸国际陆港项目部编制人部门会签部门签字部门签字质量工程安全设备技术一级项目主任工程师(审核)一般项目生产副经理(审核)生产副经理(审核)主任工程师(审核)总工程师(审批)审批意见年月日目录第一章工程概况………………………………………………………………………..3一、编制依据..……………………………………………………………………………4二、工程概况……………………………………………………………………………..4三、工程地质情况及现场环境…………………………………………………………..4第二章施工组织部署…………………………………………………………………..5一、施工阶段划分和施工工序…………………………………………………………..5二、施工进度计划安排…………………………………………………………………..6三、项目部下设班组及职责…………………………………………………………….8四、劳动力计划………………………………………………………………………….11五、机构管理框图……………………………………………………………………….11六、施工设备…………………………………………………………………………….13第三章降水专项施工方案…………………………………………………………….14一、降水井及观测井施工方案………………………………………………………….14第四章基坑支护专项施工方案……………………………………………………….16一、护坡桩施工方案…………………………………………………………………….16二、土钉墙施工方案…………………………………………………………………….19三、预应力锚杆施工方案……………………………………………………………….20四、冠梁施工方案……………………………………………………………………….22第五章土方开挖方案…………………………………............................……………...23第六章确保工程质量的技术组织措施………………………………………………...28一、组织措施…………………………………………………………………………….28二、建立建全各项管理制度…………………………………………………………….29第七章工程安全施工的技术组织措施……………………………………………….30一、安全组织措施……………………………………………………………………….30二、安全保障措施……………………………………………………………………….30第八章文明施工的组织措施………………………………………………………….31一、文明施工的组织措施……………………………………………………………….32二、文明施工管理办法………………………………………………………………….32三、管线和文物保护措施……………………………………………………………….33第九章确保工期的技术组织措施………………………………………………………34一、确保工期的组织措施………………………………………………………………..34二、确保工期的保证措施………………………………………………………………..34第十章基坑安全措施及应急预案……………………………………………………..35一、预防措施……………………………………………………………………………...35二、现场复杂地质的处理措施…………………………………………………………...36三、工程配合………………………………………………………………………………36四、应急措施………………………………………………………………………………36五、施工现场的应急处理设备和设施管理………………………………………………39第十一章基坑及环境监测………………………………………………………………41一、变形监测内容及目的…………………………………………………………………42二、观测对象及工作量布置原则…………………………………...

1、当您付费下载文档后,您只拥有了使用权限,并不意味着购买了版权,文档只能用于自身使用,不得用于其他商业用途(如 [转卖]进行直接盈利或[编辑后售卖]进行间接盈利)。
2、本站所有内容均由合作方或网友上传,本站不对文档的完整性、权威性及其观点立场正确性做任何保证或承诺!文档内容仅供研究参考,付费前请自行鉴别。
3、如文档内容存在违规,或者侵犯商业秘密、侵犯著作权等,请点击“违规举报”。

碎片内容

行政中心深基坑施工方案

您可能关注的文档

确认删除?
VIP
微信客服
  • 扫码咨询
会员Q群
  • 会员专属群点击这里加入QQ群
客服邮箱
回到顶部