电脑桌面
添加小米粒文库到电脑桌面
安装后可以在桌面快捷访问

拉森钢板桩基坑支护方案设计和计算VIP免费

拉森钢板桩基坑支护方案设计和计算_第1页
1/13
拉森钢板桩基坑支护方案设计和计算_第2页
2/13
拉森钢板桩基坑支护方案设计和计算_第3页
3/13
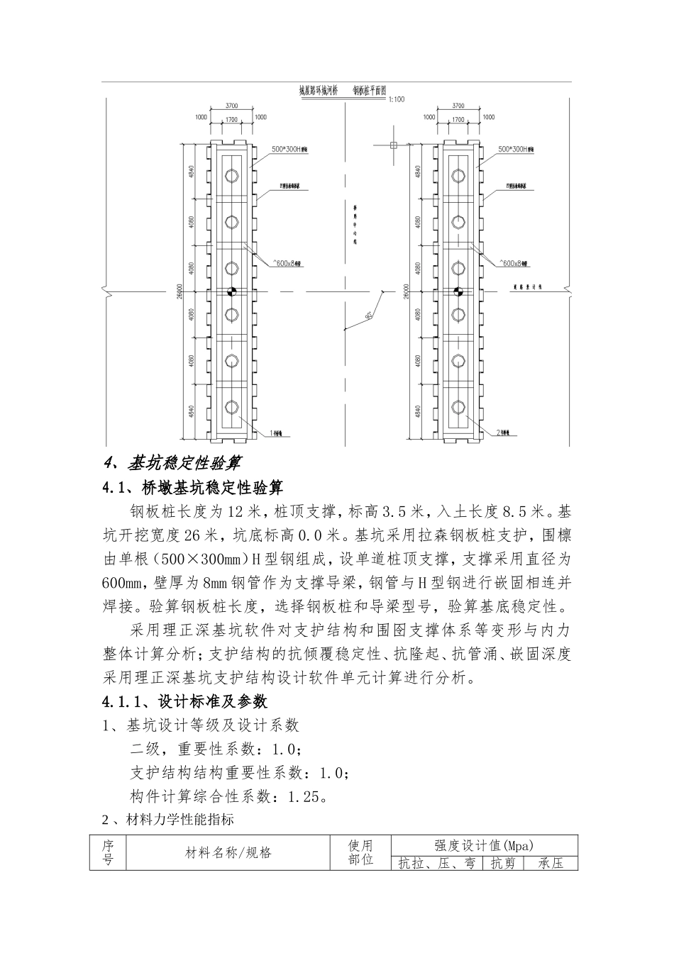
3、拉森钢板桩基坑支护方案设计和计算3.1、基本情况城展路环城河桥桥台位于河岸上,基坑开挖深度较小;桥墩长24m,宽1.7m,右偏角90°,系梁底标高为0.0m,河床底标高0.0m,因此基坑底部尺寸考虑1m施工操作面要求,布置为长26m,宽3.7m,不需土方开挖。环城河常水位2.6m,1/20洪水位3.27m,河床底标高0.0m,河底为淤泥土。考虑选择枯水期施工,堰顶标高为3.5m。3.2、支护方案设计支护采用拉森钢板桩围堰支护,围堰平行河岸布置,平面布置详见附图。堰体采用拉森钢板桩Ⅳ型,桩长12米,内部水平围檩由单根(500×300mm)H型钢组成,支撑杆设置在钢板桩顶部,由直径为600mm,壁厚为8mm钢管组成。整个基坑开挖完成后,沿基坑四周挖出一条200×200mm排水沟,在基坑对角设500×500×500mm集水坑,用泥浆泵将集水坑内渗水及时排出基坑。布置图:4、基坑稳定性验算4.1、桥墩基坑稳定性验算钢板桩长度为12米,桩顶支撑,标高3.5米,入土长度8.5米。基坑开挖宽度26米,坑底标高0.0米。基坑采用拉森钢板桩支护,围檩由单根(500×300mm)H型钢组成,设单道桩顶支撑,支撑采用直径为600mm,壁厚为8mm钢管作为支撑导梁,钢管与H型钢进行嵌固相连并焊接。验算钢板桩长度,选择钢板桩和导梁型号,验算基底稳定性。采用理正深基坑软件对支护结构和围囹支撑体系等变形与内力整体计算分析;支护结构的抗倾覆稳定性、抗隆起、抗管涌、嵌固深度采用理正深基坑支护结构设计软件单元计算进行分析。4.1.1、设计标准及参数1、基坑设计等级及设计系数二级,重要性系数:1.0;支护结构结构重要性系数:1.0;构件计算综合性系数:1.25。2、材料力学性能指标序号材料名称/规格使用部位强度设计值(Mpa)抗拉、压、弯抗剪承压1500×300mmH型钢(Q235)腰梁2151253252D600mm钢管(Q235)内支撑2151253253钢板桩Ⅳ桩2954.1.2、施工工况定义1、单元分析工况定义(1)、工况1:打钢板桩,水面以下3.5m;(2)、工况2:在桩顶以下0.5m处安装第一道内支撑;(3)、工况3:抽水;2、单元计算[支护方案]----------------------------------------------------------------------连续墙支护----------------------------------------------------------------------[基本信息]----------------------------------------------------------------------内力计算方法增量法规范与规程《建筑基坑支护技术规程》JGJ120-99基坑等级二级基坑侧壁重要性系数γ01.00基坑深度H(m)3.500嵌固深度(m)8.500墙顶标高(m)0.000连续墙类型钢板桩├每延米板桩截面面积A236.00(cm2)├每延米板桩壁惯性矩I(cm4)39600.00└每延米板桩抗弯模量W(cm3)2200.00有无冠梁无放坡级数0超载个数0支护结构上的水平集中力0----------------------------------------------------------------------[附加水平力信息]----------------------------------------------------------------------水平力作用类型水平力值作用深度是否参与是否参与序号(kN)(m)倾覆稳定整体稳定----------------------------------------------------------------------[土层信息]----------------------------------------------------------------------土层数3坑内加固土否内侧降水最终深度(m)3.500外侧水位深度(m)0.000内侧水位是否随开挖过程变化否内侧水位距开挖面距离(m)---弹性计算方法按土层指定ㄨ弹性法计算方法m法----------------------------------------------------------------------[土层参数]----------------------------------------------------------------------层号土类名称层厚重度浮重度粘聚力内摩擦角(m)(kN/m3)(kN/m3)(kPa)(度)1杂填土3.5010.00.00.000.002淤泥质土3.7216.96.9------3淤泥10.5015.85.8------层号与锚固体摩粘聚力内摩擦角水土计算方法m,c,K值抗剪强度擦阻力(kPa)水下(kPa)水下(度)(kPa)10.10.000.00合算m法0.00---215.08.5011.80合算m法1.49---312.08.007.70合算m法0.63-------------------------------------------------------------------------[支锚信息]----------------------------------------------------------------------支锚道...

1、当您付费下载文档后,您只拥有了使用权限,并不意味着购买了版权,文档只能用于自身使用,不得用于其他商业用途(如 [转卖]进行直接盈利或[编辑后售卖]进行间接盈利)。
2、本站所有内容均由合作方或网友上传,本站不对文档的完整性、权威性及其观点立场正确性做任何保证或承诺!文档内容仅供研究参考,付费前请自行鉴别。
3、如文档内容存在违规,或者侵犯商业秘密、侵犯著作权等,请点击“违规举报”。

碎片内容

拉森钢板桩基坑支护方案设计和计算

文章天下+ 关注
实名认证
内容提供者

各种文档应有尽有

确认删除?
VIP
微信客服
  • 扫码咨询
会员Q群
  • 会员专属群点击这里加入QQ群
客服邮箱
回到顶部