专家解析女贞大树移植移栽管理技术和方法 女贞大树移植移栽技术和方法 大叶女贞一年四季均可栽植。春、秋、冬季栽植时要带土球,土球直径...
美丽的女贞树作文 300 字篇一:美丽的秋天 300 字大全美丽的秋天作文 300 字夏哥哥吹着笛子愉快地走了,秋小姐带着风妹妹悄悄地来了...
女贞子的果实作文 2 篇 每当我一进校门,就能看见右侧有两棵高大的贞子树像士兵一样在那站岗。 每年八月,贞子树结出淡黄色的果实,散...
精品文档---下载后可任意编辑中药虎杖和女贞子药渣化学成分讨论的开题报告一、讨论背景中药在传统中医中具有重要的地位,其中虎杖和女贞子...
精品文档---下载后可任意编辑上海香樟及女贞群落密度特征及邻体效应讨论的开题报告一、讨论背景和意义:上海市是一个以森林覆盖度较低的城...
女贞子的功效与作用及食用方法 女贞子又名贞木、冬青、蜡树。此木凌冬青翠,有贞守之操,因此得名。 【气味】性平,味甘,入肝、肾经。 ...
本文整理于网络,仅供阅读参考女贞子的功效和作用女贞子的功效和作用1、滋肾益肝用于肝肾不足,症见骨蒸劳热,头晕,耳鸣,耳聋,腰膝酸软...
- 1 - 女贞子中齐墩果酸的提取分离和鉴别女贞子为木犀科植物女贞Ligustrum lucidum Ait .的干燥成熟果实。甘、苦,凉。归肝、肾经。...
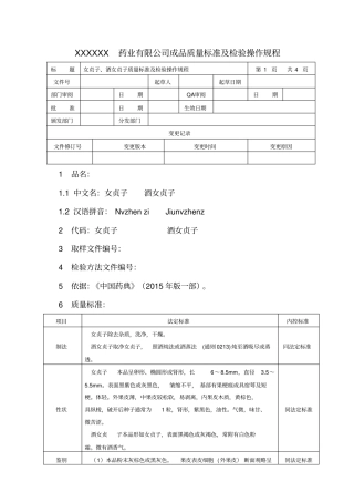
XXXXXX药业有限公司成品质量标准及检验操作规程标题女贞子、酒女贞子质量标准及检验操作规程第 1 页共 4 页文件号起草人起草日期部门审...
本文整理于网络,仅供阅读参考中药女贞子的功效和作用女贞子的功效和作用女贞子主治:头昏目眩;腰膝酸软;遗精;耳鸣;须发早白;骨蒸潮热;目暗...
水彩花卉画法:女贞花怎么画_水彩画教程很多人都听过女贞子,可却很少人见过女贞花,女贞花是一种很淡雅的花儿,它的花儿不仅小巧可爱,而...
专家解析女贞大树移植移栽管理技术和方法女贞大树移植移栽技术和方法大叶女贞一年四季均可栽植。春、秋、冬季栽植时要带土球,土球直径一般...
题目:不同炮制方法对女贞子齐墩果酸和熊果酸含量的影响目录中文摘要.....................................................................
大叶女贞的栽培一、挖树坑移栽前一周将新栽地的树坑挖好,预挖的树坑直径要比移栽树土球的直径大40厘米至50厘米,高要大于土球高度15厘米左...
目录中文摘要.......................................................................................................1英文摘要.........

