七月护理安全、急救、应急预案、核心、制度试题科室:姓名:得分:一、填空题:每空 0.5 分,共计 15 分。1、抢救物品使用后,应 原处...
心脏病急救得药物有哪些本文导读:心脏病就是生活中常见得心血管疾病,这种疾病得抢救时间就是非常宝贵得,那么您知道心脏病病人应该必备哪...
建筑施工场地急救措施 建筑施工场地任务量大,工程繁多,条件简陋,各种突发性疾病和意外损害事故常有发生。以下介绍几种现场应急处理要求...
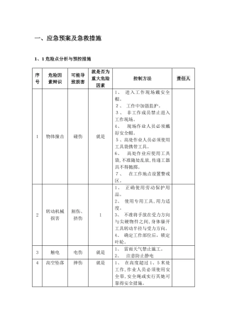
一、应急预案及急救措施1、1 危险点分析与预控措施序号危险因素辩识可能导致损害就是否为重大危险因素控制方法责任人1物体撞击碰伤就是1、...
应急及急救、生命支持类设备定期维护制度1 目的1.1 为了法律规范和加强应急及急救、生命支持类设备管理,保持正常的待用状态,保障患者生...
常见有毒气体中毒症状及急救一氧化碳中毒 凡是含碳的物质如煤、木材等在燃烧不完全时都可产生一氧化碳(CO)。一氧化碳进入人体后很快与血...
常用杀虫剂中毒及急救治疗(5 页)Good is good, but better carries it.精益求精,善益求善。常用杀虫剂中毒及急救治疗有机磷农药杀...
常用急救药品速记口诀(2页)Good is good, but better carries it.精益求精,善益求善。常用急救药品速记口诀新入科护士大多反应抢救...
常用急救措施(5 页)Good is good, but better carries it.精益求精,善益求善。交底内容: 常用急救措施2.1.1 用水救火应注意什么...
常用急救药物的使用及注意事项呼吸兴奋剂类药物12 山梗菜碱 Lobeline别名]洛贝林。药理]兴奋颈动脉窦和主动脉体的化学感受器反射性兴奋...
山大网络教育急抢救理学模拟题及其答案(3 页)Good is good, but better carries it.精益求精,善益求善。急抢救理学 1一.填空题:...
安全用电与触电急救教案(8页)Good is good, but better carries it.精益求精,善益求善。项目一 安全用电与触电急救课题:安全用电...
保存单位,编号 W NMGXG—YHJ—2025—8内蒙古星光煤炭集团有限责任公司一号井安全生产应急预案培训记录安全生产应急预案培训记录一、教学...
妇产科团队羊水栓塞急救演练过程(全文)今日我们为大家演示的项目是羊水栓塞抢救模拟演练。首先介绍一下我们团队的成员:一线医师 XX、二...
多发伤得急救处理1。 多发伤得概念多发伤指同一致伤因素所致人体两个以上严重损伤。这一概念包括以下三个内涵:ﻫ(1) 损伤由同一致伤...
口腔门诊常见急救药物(4页)Good is good, but better carries it.精益求精,善益求善。口腔门诊常见急救药物 口腔门诊可能常见的急...
腔诊所急救预案为 使 腔 诊 所 安 全 有 效 的 开 展 医 疗 活 动 服 务 与 广 阔 患 者 , 有 必 要的 制 定...
原油、石油的危害及应急急救措施特 别 警 示★易燃,其蒸气与空气混合,能形成爆炸性混合物危险性类别3.2 类 中闪点易燃液体危 险 ...
方山县人民医院危重孕产妇和新生儿急救预案为贯彻落实《中共中央国务院关于实施全面两孩政策改革完善计划生育服务管理的决定》中发([2025]...
医院骨科急救知识考试题一、选择 题(每题 2. 5 分共 40 题)1 .心肺复苏指南中胸外按压的频率为:A、80-1 次/分;B、1 次/分;(...

