监理检查记录表工程名称:巴浪湖 330kv 变电站工程编号:JL—JC—001施工单位宁夏送变电工程公司监理单位宁夏电力建设监理咨询有限公司检...
监理旁站记录填写范例(共 6 个工序范例)填写说明:1. 为法律规范各监理人员的旁站记录填写工作,确保旁站记录如实、全面反映旁站工程...
旁站监理记录工程项目名称: 施工合同段 编号:日期气候工程地点 桥段旁站监理部位或工序号墩身混凝土灌注(DK + )旁站监理开始时间...
旁站监理记录表工程名称: 编号:江西瑞林建设监理有限公司日期及气候:工程地点:旁站监理的部位:旁站监理开始时间:旁站监理结束时间:施工...
监理灌浆旁站记录表日 期灌浆部位旁站监理开灌时间孔 号灌浆段设计压力灌浆前检查设计孔深钻孔深度设计角度实际角度管路管线接 线记录仪...
土方开挖、回填工程监理平行检验记录表单位(子单位)工程名称乐清市中心区 B—c5 地块监理平行检验部位施工单位自检及报验情况施工单位...
土方开挖、回填工程抽检检验记录表单位(子单位)工程名称抽检部位现行施工质量验收法律规范的规定抽检记录检 查 项 目允许偏差或允许值...
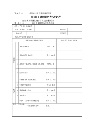
Ⅲ-编号 14 武汉建设监理法律规范用表监理工程师检查记录表 混凝土原材料及配合比设计检验批Ⅲ—编号 15 武汉建设监理法律规范用表单...
监理工作月度考核评分表项目监理机构: 考核日期: 年 月 日序号考核分项考核子项评分标准应得分值应减分值实得分值考 评 人1监理准备...
施工现场作业监理巡视记录表工程项目名称:大姚政务中心广场、绿化工程 日期及气候2013 年 1 月 10 日工程地点政务中心广场监理巡视...
监理巡视检查记录表工程项目名称:滨江时代大道上跨沪昆铁路绕行线桥梁拼宽工程 编号:日 期气 候阴 、 晴 、雨、工程地点巡视监理工...
监理质量巡视检查记录表工程名称:土福湾·悦榕庄酒店(B10 地块)项目 施工单位:海南第一建设工程有限公司 日期: 年 月 日巡视时间:...
联合安全大检查记录表工程名称: 检查日期: 编号:联合检查单位及人员单位名称参加人员检查情况及存在隐患:整改施工单位: 整改限定时...
B7—1检验批验收台帐项目名称: 监理机构(项目部/监理组): 第 页 序号日期验收部位检查人检查结论影像资料备注注明:分部、分项工程...
轴线、标高监理检查复核表监理工程师 日期: 年 月 日土方开挖工程质量检查复核表建设单位中国电信吉林分公司施工单位长春建设集团股份...
监 理 交 底 记 录 表共 页 第 1 页工程名称主持人时间2024.11.12地点现场办公室参加会议人员:主要交底内容:一、本工程执行《...
监控录像调取登记表登记人登记人所在单位随行人员调取监控点本所陪同人员(机房授权准入人员)事 由起始日期起始时间年 月 日 时 分截...
监控维修记录表序号故障时间故障地点故障内容到达维修时间是否完成完成时间维修人客户签字
监控机房维护保养记录表保养单位:XXXXX 序号保养工作内容保养频次维保记录标 准1检查摄像机工作状态 每 周 一 次图像清楚2检查云台...
监控系统维护保养记录表保养单位: 设备安置地点 : 序号保养工作内容保养频次维保记录标 准1检查摄像机、支架是否牢靠稳固每 月一次牢...

