1 消防系统维护维修细则 月巡检细则 表一 序号 内容 标准 检查方法 1 消防控制室 设备无异常 各类显示灯正常 观察显示灯 确认...
消防检查记录表 注:消防检查每月组织一次 检查时间 1 月 1 日 检查人员 黄波 检查部位 一楼到5 楼消防器材 检查内容 消防栓...
每 日 防 火 巡 查 记 录 本 单位名称: 填写时间: 重庆市公安局消防局制 每日防火巡查记录 QW-ZZAF-2016-09-13 年 月 日...
火灾自动报警系统布线检验批质量验收记录 GB50166-92 编号: 工程名称 分项工程名称 施工单位 专业工长 项目经理 施工执行规范名称...
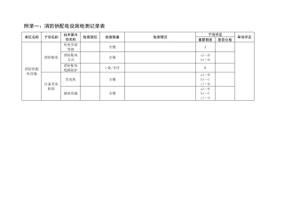
附录一:消防供配电设施检测记录表 单位名称 子项名称 技术要点项名称 检查部位 检查数量 检测情况 子项评定 单项评定 重要程度 ...
1 消防检查记录表范本 2 记 录 薄 每月防火检查记录 检查类别 各功能室. 检查时间 检查人 检查部门 受检部位 受检人 检 查...
消防设备维护记录表 检 测 内 容 火灾自动报警系统 全检( ) 抽测( ) 消火栓系统 全检( ) 抽测( ) 自动喷淋灭火系统...
消 控 中 心 控 制 器 日 检 记 录 检 查 项 目 时 间 自 检 消 音 复 位 故 障报 警 巡 检 电 源 检 查 ...
项目编号:X X X X (年号)一X X X X X X (自编号) 消 防 安 全 评 估 记 录 表 委托单位: 评估项目: 评估时间...
防火检查 记 录 薄 防火检查记录 检 查 类 别 检 查 时 间 检 查 人 检 查 部 门 受 检 部 位 受 检 人 检 查...
消防安全培训记录表 消防安全培训记录表 时间 :2017 年 8 月 12 日 部门/班组 项目部各部门及班组消防管理员 主讲人 陈时通 ...
消防安全培训记录表 时间 : 2 0 1 6 年 1 月 1 2 日 部门/班组 主讲人 地点 会议室 课时 1 学时 培训主题 基本消防...
附件 消防安全专项检查记录表 被查单位: 检查时间: 序号 检查内容 检查结果 1 单位是否明确了消防安全责任人、消防安全管理人,...
防火检查 记 录 薄 防火检查记录 检查类别 各功能室. 检查时间 9.10 检查人 巡查组 检查部门 受检部位 受检人 检 查 内 ...
1 寨沟小学文学社活动记录 周次 3 活动 内容 报名选拔成员 指导 教师 王金勇 备注 活 动 过 程 报名选拔成员 明确活动目的...
文件发放记录表 编号:XA-JL-001 文件名称 文件编号 签发时间 发放份数 签 发 人 领 用 部 门 领 用 人 签 字 日 期 ...
项目经理安全生产责任制考核记录 单位名称: 工程名称: 考核日期: 年 月 日 序号 考核项目 扣 分 标 准 应得分 扣减分 实...
班组安全活动记录表 班组名称:钻机班组 日 期 2012 年2 月25 日 参加人员 全班15 人 天 气 阴 施工部位 桩基础 活动类别...
1 1 说 明 1、制订班前安全活动制度。 2、各班组每天由班组长组织开展班前安全活动,针对各班组专业特点和作业环境条件进行,每次活动...
工程材料退场记录表 编号:GJ001 工程名称 太仓明崭仓储有限公司仓储项目 施工单位 中天建设集团有限公司 监理单位 苏州科正工程咨...

