电脑桌面
添加小米粒文库到电脑桌面
安装后可以在桌面快捷访问

消防检测记录表VIP免费

消防检测记录表_第1页
1/20
消防检测记录表_第2页
2/20
消防检测记录表_第3页
3/20
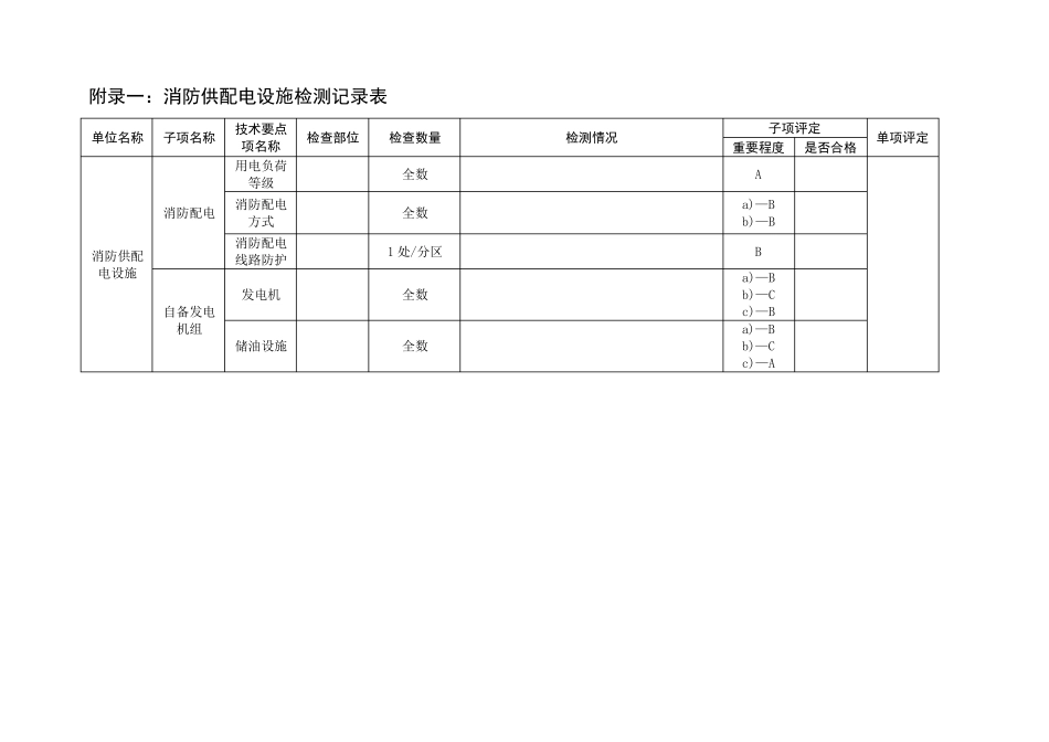
附录一:消防供配电设施检测记录表 单位名称 子项名称 技术要点项名称 检查部位 检查数量 检测情况 子项评定 单项评定 重要程度 是否合格 消防供配电设施 消防配电 用电负荷等级 全数 A 消防配电方式 全数 a)—B b)—B 消防配电线路防护 1 处/分区 B 自备发电机组 发电机 全数 a)—B b)—C c)—B 储油设施 全数 a)—B b)—C c)—A 附录二:火灾自动报报警系统检测记录表(一) 单位名称 子项名称 技术要点项名称 检查部位 检查数量 检测情况 子项评定 单项评定 重要程度 是否合格 火灾自动报警系统 系统布线 导线选型 1 处/分区 a)—C b)—B c)—C 导线安装 1 处/分区 a)—B b)—C c)—B d)—C 线路保护 1 处/分区 a)—B b)—B c)—C d)—C 线路绝缘电阻 1 个回路 B 火灾探测器 外观检查 20%,且≥10 个 C 火灾探测器选型 全数 B 火灾探测器设置数量 a)项全数; b)、 c)20%,且≥10 个 a)—B b)—C c)—C 火灾探测器设置位置 20%,且≥10 个 a)—C b)—C c)—C 火灾探测器安装 20%,且≥10 个 a)—C b)—C c)—C 附录二:火灾自动报报警系统检测记录表(二) 单位名称 子项名称 技术要点项名称 检查部位 检查数量 检测情况 子项评定 单项评定 重要程度 是否合格 火灾自动报警系统 火灾探测器 火灾探测器报警功能 20%,且≥10 个 a)—A b)—A c)—B 手动火灾报警按钮 外观检查 20%,且≥10 个 C 手动火灾报警按钮设置 a)项全数; b)、 c)20%,且≥10 个 a)—B b)—C c)—C 手动火灾报警按钮安装 20%,且≥10 个 a)—C b)—C 手动火灾报警按钮功能 20%,且≥10 个 a)—A b)—B 火灾警报装置 火灾声光警报装置的设置 1 处/分区 a)—A b)—B 火灾声光警报装置的安装 1 处/分区 C 火灾声光警报装置功能 1 处/分区 a)—A b)—C 附录二:火灾自动报报警系统检测记录表(三) 单位名称 子项名称 技术要点项名称 检查部位 检查数量 检测情况 子项评定 单项评定 重要程度 是否合格 火灾自动报警系统 火灾报警控制器及联动控制设备 火灾报警控制器及联动控设备选型 全数 a)—B b)—C 火灾报警控制器及联动控设备外观 全数 C 火灾报警控制器及联动控设备设置安装 全数 a)—B b)—C c)—C d)—C 设备电源 全数 a)—B b)—A c)—B d)—C 火灾报警控制器及联动...

1、当您付费下载文档后,您只拥有了使用权限,并不意味着购买了版权,文档只能用于自身使用,不得用于其他商业用途(如 [转卖]进行直接盈利或[编辑后售卖]进行间接盈利)。
2、本站所有内容均由合作方或网友上传,本站不对文档的完整性、权威性及其观点立场正确性做任何保证或承诺!文档内容仅供研究参考,付费前请自行鉴别。
3、如文档内容存在违规,或者侵犯商业秘密、侵犯著作权等,请点击“违规举报”。

碎片内容

消防检测记录表

确认删除?
VIP
微信客服
  • 扫码咨询
会员Q群
  • 会员专属群点击这里加入QQ群
客服邮箱
回到顶部