第1页共3页2024年安全生产责任制考核记录表单位名称:________________年度:2024年考核期间:_________________至__________________一、...
单位消防安全检查记录表序号内容落实情况1是否明确消防安全责任人、消防安全管理人,并报消防部门备案。(查看有关文件)2是否确定消防安全...
单位工程竣工验收记录表(四统表)————————————————————————————————作者:———————————————...
芋元中学兴趣小组活动记录表20----20学年第学期活动主题活动时间活动地点活动序号主讲教师活动主持活动记录应到人数实到人数活动过程活动成...
区域活动观察记录表班级:中二班记录者:章潇观察对象陈政达年龄6岁性别男所在区角美工区观察时间2015年3月13日观察情况记录很熟练的用手指...
旁站监理记录表〔混凝土分项工程〕工程名称:编旁站监理记录表〔土方回填分项工程〕日及气候旁站监理开场时间/完毕时间/旁站监理部位及工序...
学校心理咨询记录表学年学期编号辅导日期年月日辅导时间:至:来访学生姓名性别年龄班级主诉问题:来访学生问题归类(下面空格中打√):同...
课堂观察记录表单(4张),请任选其一,并根据分学科视频课例观察结果填写。课堂观察记录表单1提交日期:2014年3月28日星期五学科物理年级...
盐城新东仁医院职能部门监管及持续改进记录表职能部门:医务科督导科室:内科、普外科、骨科、妇产科督查内容首诊负责制度、规范与流程及执...
出头岭医院紫外线空气消毒记录表科室:年月日期消毒时间(开始—结束时间)灯管累计使用时间(分钟)消毒人员签名消毒时间(开始—结束时间...
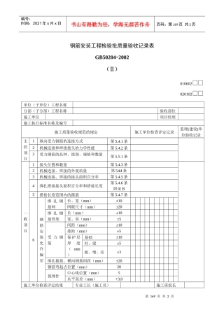
第169页共2页编号:时间:2021年x月x日书山有路勤为径,学海无涯苦作舟页码:第169页共2页钢筋安装工程检验批质量验收记录表GB50204-2002(...
媒体在学科教学中运用记录表学科语文教学对象四年级教学内容<<黄山奇石>>教学目标1、知识与能力:①图文结合,理解课文内容,感情朗读课文...
技术交底记录表工程名称G3015克克拉玛依至塔城高速公路工程第KT-1标段施工中国水电建立集团路桥工程主题达尔布特特大桥挖孔桩施工交底时间...
XXXXXXX医院检验科环境温度、湿度监测记录表科室:检验科温湿度计编号:记录年月:年月温湿控范围:温度18~30℃湿度30~85%日期上午9时签...
医院安全监督检查与隐患整改记录表医院安全监督检查与隐患整改记录表序号检查组成员任柏华、倪江奋、张新成、张卫斌检查组负责人任佰华被检...
平安技术交底〔盖章〕编:施工名称工程名称施工部位施工内容安全技术交底内容施工现场针对性安全交底交底部门或班组承接班组交底人签名承受...
学生音乐素养分析表班级:建表日期:编号:学生姓名:性别:民族:出生日期:家庭住址:监护人:电话:记录项目记录日期年月日年月日年月日...
2024/3/231安全教育培训记录表(安全警示教育)2024/3/232目录contents•安全教育培训背景与目的•安全警示教育内容•安全教育培训形式与方法...
结构(中间)验收通知单(市政)工程名称施工单位验收部位计划验收时间验收准备情况建设工程规划许可证建设工程施工许可证工程实体检查检验...
XXXX药业有限公司库房温湿度记录编号:库房名称:适宜温度范围:------------℃适宜相对湿度范围:45---------75%年月日期上午:下午:库内...

