磁共振检查注意事项磁共振检查注意事项郑大一附属医院郑东院区郑大一附属医院郑东院区体检科体检科··冯青冯青磁共振的定义磁共振的定义...
新技术汇报磁共振断层血管成像(MRTA)对三叉神经痛和面肌痉挛血管神经压迫的临床应用汇报者:鹿丽2013-12-12面肌痉挛、三叉神经痛等是一...
磁共振成像知识患者健康宣教演讲人汇报日期目录检查后指导06.MRI检查过程05.MRI检查前准备04.MRI检查的注意事项和禁忌证03.MRI检查的分类02...
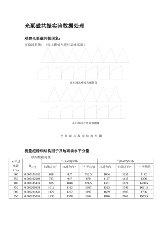
在扫场波峰处共振图像在扫场波谷处共振图像光泵磁共振实验数据处理观察光泵磁共振现象:实验波形图:(取上图情形进行后续实验)光泵磁共振...
胎儿磁共振成像(MRIoffetus)Page2关于胎儿磁共振成像的一些疑问(question)1.为什么要进行胎儿磁共振检查?意义何在?(why,meaning)2....
第五章足、踝的磁共振成像与计算机断层扫描•CT与MR成像在足、踝疾病诊断中的作用软组织损伤骨损伤感染关节炎儿科疾病肿瘤足踝部软组织疾病...
磁共振尿路成像在上尿路梗阻性疾病诊断中的价值摘要:目的:探讨磁共振尿路成像在上尿路梗阻性疾病诊断中的价值。方法:选取2014年12月至20...

