真石漆涂料涂饰工程检验批质量验收记录表单位(子单位)工程名称太原市小店区一中等十二所学校建筑节能改造工程第四标段030801回包]030801...
现代精细化工生产工艺流程图解:《现代精细化工生产工艺流程图解》是2014年化学工业出版社出版的图书,作者是李和平。内容简介:《现代精细...
第1页共68页编号:时间:2021年x月x日书山有路勤为径,学海无涯苦作舟页码:第1页共68页水性涂料系列生产技术汇编106内墙涂料生产技术106内...
第0页共15页编号:时间:2021年x月x日书山有路勤为径,学海无涯苦作舟页码:第0页共15页目录1设计任务书...................................
水性涂料涂装一体化涂企成功转型课件•水性涂料涂装一体化介绍•涂企成功转型的策略•转型过程中的挑战与对策•成功转型的案例分析•结论与...
河南大学HENANDAXUE化学化工学院HUAXUEHUAGONGXUEYUAN我国水性涂料的发展及研究方向院(系)名称化学化工学院专业名称化学工程与工艺姓名吕...
水性涂料配方设计与涂料助剂的应用及原料制备方法实用手册主编:赵凯出版社:中国化工出版社2010年规格:全一卷16开精装定价:328元优惠价...
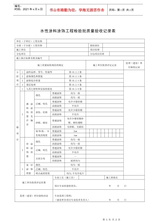
第1页共2页编号:时间:2021年x月x日书山有路勤为径,学海无涯苦作舟页码:第1页共2页水性涂料涂饰工程检验批质量验收记录表单位(子单位)...
水性涂料涂饰工程检验批质量验收记录表单位(子单位)工程名称分部(子分部)工程名称验收部位施工单位项目经理分包单位分包项目经理施工执...
水性涂料用助剂的现状和发展趋势上海申得欧有限公司林宣益助剂是水性涂料不可缺少的组分。助剂的产品质量和发展水平从一个侧面反映涂料产品...
第1页共1页编号:时间:2021年x月x日书山有路勤为径,学海无涯苦作舟页码:第1页共1页水性涂料涂饰分项工程检验批质量验收记录TJ4.3.35工程...
第1页共9页编号:时间:2021年x月x日书山有路勤为径,学海无涯苦作舟页码:第1页共9页水性涂料用助剂的现状和发展趋势上海申得欧有限公司林...
建设项目环境影响报告表项目名称:年产2万吨水性涂料项目建设单位(盖章):山东玛博伦新材料有限公司编制日期:2016年2月国家环境保护部制...
目录1设计任务书...................................................11.1项目......................................................1...
水性涂料系列生产技术汇编106内墙涂料生产技术106内墙涂料是目前建筑行业中广泛使用的一种水性涂料,因其制备简便,原料易得,性能稳定,装...
建设项目环境影响报告表项目名称:年产2万吨水性涂料项目建设单位(盖章):山东玛博伦新材料有限公司编制日期:2016年2月国家环境保护部制...
施工单位建工集团股份有限公司分项工程名称水性涂料涂饰交底提要外墙质感涂料、真石漆涂饰交底内容:东海花园二期工程位于北京市通州区宋庄...
水性涂料生产中乳液废水处理摘要。介绍用絮凝剂法和深度氧化法处理水性涂料生产过程中废水。先用烧碱或石灰将废水的ph值调节到8~9,加入絮...

