浅谈如何做好房屋建筑结构的优化设计摘 要:本文主要探讨了房屋建筑结构优化设计中的相关内容,最后重点介绍了结构设计优化技术在建筑结构...
2010年一级注册建筑师建筑结构真题与答案一级注册建筑是真题
河北省一级建筑师《建筑结构》:不变体系的基本组成考试试题本卷共分为大题小题,作答时间为分钟,总分分,分及格。一、单项选择题(共 25...
建筑结构隐蔽工程验收记录工程名称: 恒大名都五期 52#栋验收日期: 2012 年 3 月 14 日分项工程名称:钢筋工程子分部工程名称:隐...
《建筑结构》课程标准课程名称:建筑结构适用专业:建筑工程技术计划学时: 64 适用专业:建筑工程技术专业第一部分前言一、 课程的性质...
河 北 农 业 大 学建 筑 结 构 选 型 课 程 论 文题目: 建筑结构选型的综合考虑学院 :专业班级 :城市规划专业 1001 ...
本文由颜凯168 贡献 ppt文档可能在WAP端浏览体验不佳。建议您优先选择TXT,或下载源文件到本机查看。颜凯三峡电力职业学院建筑工程系第一...
广州大学继 续 教 育 学 院 [ 深 圳 点 ]『建筑结构选型 』课程作业班级:2011 建筑学班学号:154 号姓名:何显鳌指导老师:...
1 第一章梁1.梁按支座约束分为:静定梁和超静定梁,根据梁跨数的不同,有单跨静定梁或单跨超静定梁、多跨静定梁或多跨连续梁。2.简述简支...
建筑结构课程设计建筑工程学院工程项目 121 刘贺贺201201634123 现浇钢筋混凝土单向板肋梁楼盖课程设计说明书第 2 页共 13 页单向板...
课 程 设 计 任 务 书设计题目现浇钢筋混凝土单向板肋梁楼盖设计学生姓名张志辉所在院系建筑工程系专业、年级、班工程管理(专升本)...
《建筑结构试验》试验报告实验一钢弦传感器的工作原理及应变测试一、试验目的及要求1、掌握表面、内置钢弦传感器测试结构静应变的原理及方...
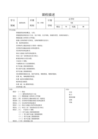
课程描述学习领域建筑结构开课时间第二学期计划学时总学时108 理论70 实践38 学习目标:掌握建筑结构的概念、分类;掌握建筑结构的设计...
1 《建筑结构试验》综合练习3 解析一、选择题1.用量纲分析法进行结构模型设计时,下列哪一个量纲不属于基本量纲?(B 应力 σ)2.下...
建筑结构试验建筑结构试验09 级实验指导书建筑结构试验说明一、试验报告必须用墨水笔工整书写,原始记录不得涂改,每个学生必须按时独立完...
建筑结构试验选择题答案一、单项选择题1、 建筑结构试验根据不同要素有多种分类方法,下列哪种试验是按荷载性质分类的?(分数: 2 分)...
1 / 17 网上形考三1. ()是整个结构试验工作中极为重要和关键的一项工作,这项工作为试验的实施起着统管全局和具体指导作用。A. 结构...
建筑结构试验复习整理第一章:结构试验概要一、结构工程发展依靠结构试验 、结构理论 和数值计算 三部分组成。 结构试验 是检验理论与...
范文 范例指导参考word 版 整理1.土木工程结构试验分哪几类?各类试验的目的是什么?A 根据试验目的,可以分为研究性试验和检验性试验...
《建筑结构试验》实验报告第1页/共 15 页《建筑结构试验》实验报告同济大学土木工程学院结构工程与防灾研究所工程结构试验中心《建筑结构...

