《20kV 及以下变电所设计规范》1 总则1.0.1 为使变电所设计做到保障人身和财产的安全、供电可靠、技术先进、经济合理、安装和维护方便,...
心理测试项目介绍 一、心理测试与人才选拔 人力资源是一个国家和地区经济社会发展最重要的战略资源。经济全球化,世界范围内的竞争关键是...
工业与民用10千伏及以变电所设计规范 第一章 总 则 第1.0.1条 10千伏及以下变电所设计必须认真执行国家的技术经济政策,并应做到保...
冰箱不制冷主要有以下几个方面: 1、压缩机是否停机,如果不停机,可以再从下面分析: 冰箱内温度偏高,这有两种情况:首先是制冷系统漏...
写作顺序有以下几种: 1、 按时间先后顺序。写人、写事、写景时常见的是以时间的先后为顺序记述。 2、 按地点变换顺序写。常用于写游记...
N1 及以下护理人员复习题 一、单选题(共100 题,每题1 分,共100 分) 1.低血钾常发生于 ( ) A、醛固酮分泌减少 B、代谢性酸中...
0 红河磷电有限责任公司企业标准 电力设备预防性试验规程 2016-10-26 发布 2016-10-26 实施 参照 Q/CSG114002-2011 标准 Q/CSG1...
贵州电网公司 10 千伏及以下配电网工程 施工设计(含初步设计方案)内容深度规定 (修订稿) 贵州电网公司 2011 年 1 月 贵阳习...
1 0 千伏及以下架空配电线路施工及验收规范 第一章 总则 第1.0.1 条 为保证35kV 及以下架空电力线路的施工质量,促进工程施工技术...
1+1=21+2=31+3=41+4=51+5=61+6=71+7=81+8=91+9=102+1=32+2=42+3=52+4=62+5=72+6=82+7=92+8=103+1=43+2=53+3=63+4=73+5=83+6=93+7=104+1=54+...
10KV及以下配电网运行检修管理规程..
1 10KV 及以下配电网工程通用设计及杆型图 (试行) 舟山供电公司配电运检室编 (2015 年 1 月) 2 第1 章 典型设计依据 1.1...
- 1 - 10kV及以下配网更换电杆、横担、绝缘子 标 准 化 作 业 指 导 书 四 川 荥 经 电力 有 限 责 任 公 司 _ _...
10kV及以下配电线路通用设计图集
10kV及以下配电线路通用设计图集_电表、JP柜原理接线图(三相)
10kV及以下配电线路通用设计图集_单相变压器安装图
作业内容2 、未办理工作许可手续工作班人员即进入现场1 、作业前的准备工作 制 事 故 措 2、保证安全的组织措施和技术措施1 、不按...
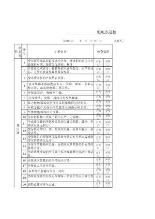
设备名称序号巡检内容1变压器的油温和温度计应正常,储油柜的油位应与温度相对应,各部位无渗油、漏油。正常□异常□2套管油位应正常,套管...
1 10KV 及以下电气设备交接试验标准 一、 规范到 500KV。 交流耐压一般为 1 分钟, 油浸变压器、电抗器的绝缘试验应在充满合格油...
10kV及以下架空配电线路设计规范

