电脑桌面
添加小米粒文库到电脑桌面
安装后可以在桌面快捷访问

10kV及以下配电室巡检记录表VIP免费

10kV及以下配电室巡检记录表_第1页
1/8
10kV及以下配电室巡检记录表_第2页
2/8
10kV及以下配电室巡检记录表_第3页
3/8
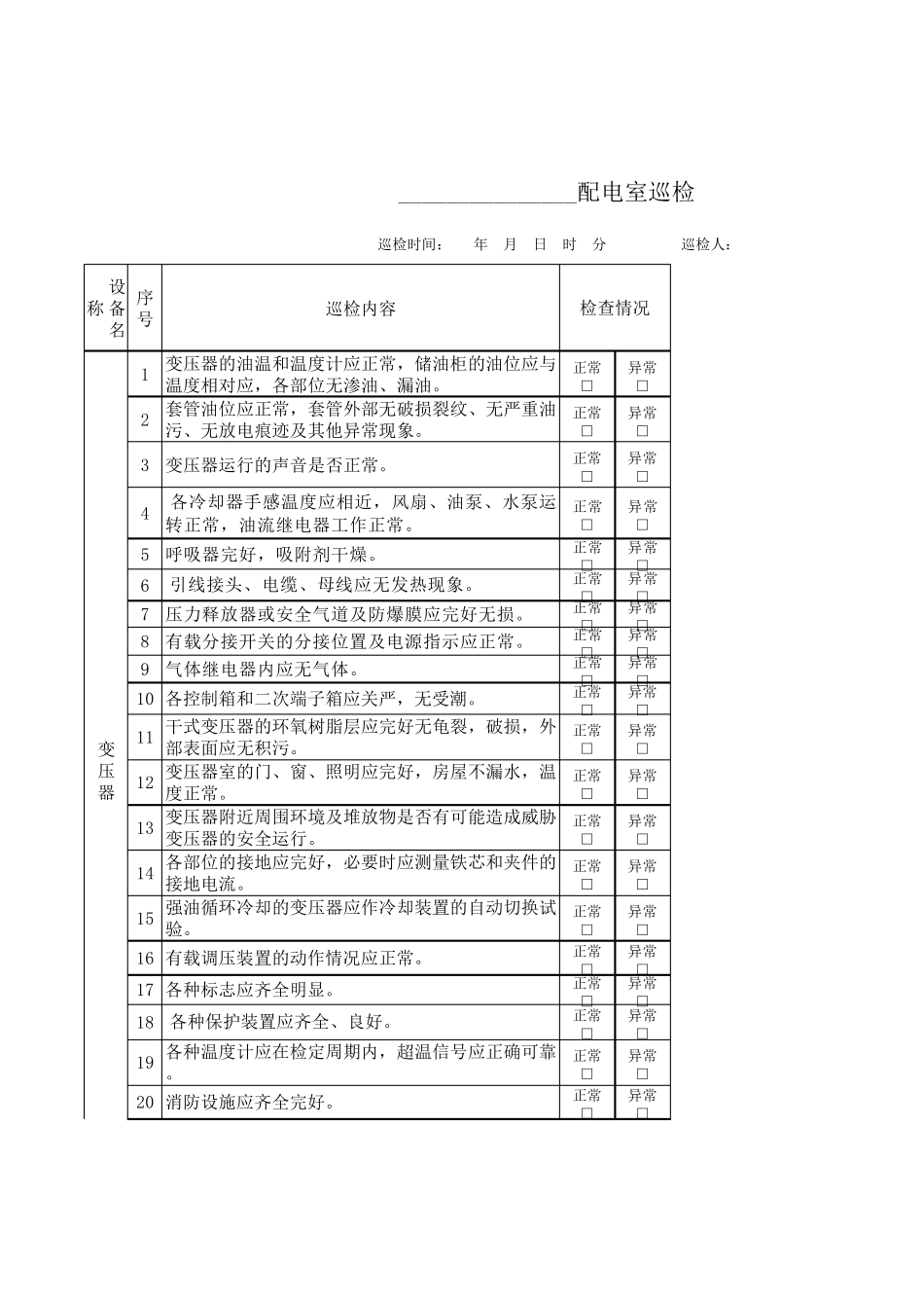
设备名称序号巡检内容1变压器的油温和温度计应正常,储油柜的油位应与温度相对应,各部位无渗油、漏油。正常□异常□2套管油位应正常,套管外部无破损裂纹、无严重油污、无放电痕迹及其他异常现象。正常□异常□3变压器运行的声音是否正常。正常□异常□4各冷却器手感温度应相近,风扇、油泵、水泵运转正常,油流继电器工作正常。正常□异常□5呼吸器完好,吸附剂干燥。正常□异常□6 引线接头、电缆、母线应无发热现象。正常□异常□7压力释放器或安全气道及防爆膜应完好无损。正常□异常□8有载分接开关的分接位置及电源指示应正常。正常□异常□9气体继电器内应无气体。正常□异常□10 各控制箱和二次端子箱应关严,无受潮。正常□异常□11 干式变压器的环氧树脂层应完好无龟裂,破损,外部表面应无积污。正常□异常□12 变压器室的门、窗、照明应完好,房屋不漏水,温度正常。正常□异常□13 变压器附近周围环境及堆放物是否有可能造成威胁变压器的安全运行。正常□异常□14 各部位的接地应完好,必要时应测量铁芯和夹件 的接地电流。正常□异常□15 强 油循 环冷却的变压器应作冷却装 置的自 动 切 换 试验 。正常□异常□16 有载调 压装 置的动 作情 况 应正常。正常□异常□17 各种 标 志 应齐 全明显 。正常□异常□18 各种 保 护 装 置应齐 全、良 好。正常□异常□19 各种 温度计应在 检定 周期 内,超 温信 号应正确 可靠。正常□异常□20 消 防设施 应齐 全完好。正常□异常□_______________配 电室巡检检查 情 况变压器巡检时间 : 年 月 日 时 分 巡检人 :21 室内变压器通风设备应完好。正常□异常□22 贮油池和排油设施应保持良好状态。正常□异常□1分、合位置指示正确,并与当时实际运行工况相符。正常□异常□2支持绝缘子无裂痕及放电异声,绝缘杆、撑板、绝缘子上无尘土。正常□异常□3保护接地装置完好。正常□异常□4引线接触部分无过热,引线弛度适中。正常□异常□5电磁机构箱门平整、关闭紧密。正常□异常□6检查分、合闸线圈及合闸接触器线圈无冒烟异味。正常□异常□7直流电源回路接线端子无松脱,无铜绿或锈蚀。正常□异常□8加热器正常完好。正常□异常□9断路器在运行状态,储能电动机的电源闸刀在闭合位置。正常□异常□10 断路器在分闸备用状态时,分闸连杆应复归,分闸锁扣到位,合闸弹盘应储能。正常□异常□1检查高压熔断器的瓷质部分清洁完整...

1、当您付费下载文档后,您只拥有了使用权限,并不意味着购买了版权,文档只能用于自身使用,不得用于其他商业用途(如 [转卖]进行直接盈利或[编辑后售卖]进行间接盈利)。
2、本站所有内容均由合作方或网友上传,本站不对文档的完整性、权威性及其观点立场正确性做任何保证或承诺!文档内容仅供研究参考,付费前请自行鉴别。
3、如文档内容存在违规,或者侵犯商业秘密、侵犯著作权等,请点击“违规举报”。

碎片内容

10kV及以下配电室巡检记录表

您可能关注的文档

确认删除?
VIP
微信客服
  • 扫码咨询
会员Q群
  • 会员专属群点击这里加入QQ群
客服邮箱
回到顶部