中图分类号: 学校代码:13820西部各省工业用电量对经济增长的影响分析学生姓名: 杨鹏飞 学 院: 商学院 专 业: 能源经济 班 ...
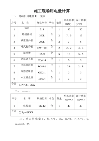
施工现场用电量计算一、 电动机用电量 P1一览表序号名 称规格型号 单位数量单机功率(KW)合计功率(KW)1塔吊315台130302砼搅拌机350L台...
1正确看待用电量与经济增长的关系近年来,社会各界对电力消费与经济发展协调性越来越关注。今年 1-3 季度丽水市全社会用电量比去年同期...
用电量预测模型
附件2 宁波市年用电量295万千瓦时及以上企业名单 地区 单位名称 地址 行业分类 北仑 浙江逸盛石化有限公司 宁波小港港口路8号 精...
人均用电量这个指标可以在一定程度上反映一个国家或地区经济发展水平和人民生活水平第一个档次1万千瓦时以上第二个档次5000-10000千瓦时第...
实验一 信息检索 一、实验目的 掌握信息检索的基本思想和理论,熟悉信息检索的整个过程和必要步骤。 二、实验类型 设计型实验 三、实...
218.0323 257.6763 142.5391 265.1651 164.7018 142.7392237.043 247.2884 188.012495.39254 240.2988155.547 163.5779 270.7003...
行业代码行业名称行业代码人均产值(万元)万元产值用电量(度)061000 烟煤和无烟煤的开采洗选61043.02444.23062000 褐煤的开采洗选620...
下载后可任意编辑靖边县阳光家园 A5#A6#A7#住宅楼临时用电专项方案----------------------------精品 word 文档 值得下载 值得拥有---...
靖边县阳光家园 A5#A6#A7#住宅楼 临 时 用 电 专 项 方 案 编制人: 审核人: 审批人: 一、 编制的目的和依据: 1 、编制...
毕业设计说明书公用路灯用电量分配系统的设计专业电子信息工程学生姓名王 乾班级BMZ 电子 082学号0861407225指导教师曹 妍完成日期2012...
从用电量铁路货运量波动看结构调整近年来,经济增长与用电量、铁路货运量指标变动之间的关系引起了国内外广泛的关注。在经济发展新常态下,...
突破15亿:用电量突破百亿演讲稿在敲开欧美市场大门后,15亿元的出口额似乎成为中国多家客车企业难以跨越的关口。如果满分是100分,大金龙近...
突破15亿:用电量突破百亿演讲稿在敲开欧美市场大门后,15亿元的出口额似乎成为中国多家客车企业难以跨越的关口。如果满分是100分,大金龙近...
某工程项目施工用水、用电量的计量及需求计划临时用水方案(1)临时用水布置说明临时用水的布置主要考虑到供临时区的生活用水、现场人员用水...
第1页共11页富山煤业有限公司用心做事,追求卓越编号:时间:2021年x月x日书山有路勤为径,学海无涯苦作舟页码:第1页共11页富山煤业12月份...
从用电量铁路货运量波动看结构调整近年来,经济增长与用电量、铁路货运量指标变动之间的关系引起了国内外广泛的关注。在经济发展新常态下,...
降低高耗能数据机房生产用电量培训知识课件•数据机房能耗现状分析•降低数据机房生产用电量的重要性•降低数据机房生产用电量的方法与措施...
第1页共7页编号:时间:2021年x月x日书山有路勤为径,学海无涯苦作舟页码:第1页共7页农用机械总动力与农村用电量的分析预测07级工程管理1...

