原材料、配件水平产品原材料和元器件的性能及质量。1.1产品原材料、配件水平1.器件组成选用的电调衰减器、滤波器、功率放大器等元器件都经...
第1页共59页编号:时间:2021年x月x日书山有路勤为径,学海无涯苦作舟页码:第1页共59页A9工程材料/构配件/设备报审表工程名称:编号:致:...
第1页共68页编号:时间:2021年x月x日书山有路勤为径,学海无涯苦作舟页码:第1页共68页B.B.1.31.3工程材料、构配件工程材料、构配件、、设...
第1页共18页编号:时间:2021年x月x日书山有路勤为径,学海无涯苦作舟页码:第1页共18页AA3.33.3材料材料((构配件构配件))、、设备进场使...
第1页共58页编号:时间:2021年x月x日书山有路勤为径,学海无涯苦作舟页码:第1页共58页车间常用各刀盘、刀杆配件明细一、75°D80刀盘1、压...
珠投集团范[2009]ZH.13编号:其他类设备、设施、配件、材料供货和安装分合同项目名称:发包方(甲方):承包方(乙方):签约地点:签订日...
工程名称:青岛市李沧区郑庄旧村改造工程编致:山东琴岗工程建设监理有限公司项目监理机构于年_月_日进场的拟用于工程部位的,经我方检验合...
第1页共54页编号:时间:2021年x月x日书山有路勤为径,学海无涯苦作舟页码:第1页共54页AA3.23.2材料材料((构配件构配件))、设备进场使用...
卫生器具及给水配件安装工程检验批质量验收记录表GB50242-2002050401单位(子单位)工程名称分部(子分部)工程名称验收部位施工单位项目经...
室内排水管道及配件安装工程检验批质量验收记录表GB50242-2002050201单位(子单位)工程名称砀山果园场翡翠花园(二期)廉租房2#楼工程分部...
室内排水管道及配件安装工程检验批质量验收记录表GB50242-2002050201单位(子单位)工程名称分部(子分部)工程名称验收部位施工单位项目经...
室外给水管道检查记录报验申请表工程名称:亳州市工业园区4#还原小区二期供水工程致:安徽南巽建设项目监理投资有限公司(监理单位)我单位...
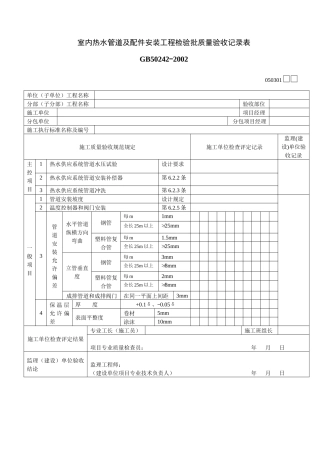
室内热水管道及配件安装工程检验批质量验收记录表GB50242-2002050301单位(子单位)工程名称分部(子分部)工程名称验收部位施工单位项目经...
室内给水管道及配件安装工程检验批质量验收记录表GB50242-2002050101单位(子单位)工程名称分部(子分部)工程名称验收部位施工单位项目经...
室外供热管道及配件安装工程检验批质量验收记录表GB50242-2002050801单位(子单位)工程名称分部(子分部)工程名称验收部位施工单位项目经...
第1页共2页编号:时间:2021年x月x日书山有路勤为径,学海无涯苦作舟页码:第1页共2页绕线绝缘车间行车工岗位说明书NO.岗位名称所在部门绕...
第1页共72页编号:时间:2021年x月x日书山有路勤为径,学海无涯苦作舟页码:第1页共72页A9工程材料/构配件/设备报审表工程名称:德令哈市20...
第1页共54页编号:时间:2021年x月x日书山有路勤为径,学海无涯苦作舟页码:第1页共54页AA3.23.2材料材料((构配件构配件))、、设备进场使...
第1页共1页编号:时间:2021年x月x日书山有路勤为径,学海无涯苦作舟页码:第1页共1页受控状态:广东太阳神集团荔城制药厂颁发部门厂文件控...
第1页共8页编号:时间:2021年x月x日书山有路勤为径,学海无涯苦作舟页码:第1页共8页生产工艺卡文件编号:BG/产品名称二三插带双控大板开关...

