水利工程安全生产事故应急预案 1 总则 1.1 编制目的 为做好全公司水利工程建设施工质量与安全事故应急处置工作,指导应急抢险,及时、...
安 全 检 查 记 录 (河南华禹[2018]安检 001 号) 合同名称:河南省人民胜利渠灌区续建配套与节水改造项目2018 年度工程施工I 标...
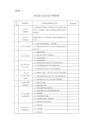
附表一: 项目法人安全生产检查表 序号 检查项目 检查内容要求与记录 检查意见 1 安全生产 管理制度 行文明确本单位适用的工程建...
1 水利在建工程安全监督检查表 工程名称: 检查时间: 建设单位: 设计单位: 监理单位: 施工单位: 检查存在的问题: 整改意见...
. . . . . w ord 资料可编辑 . 北 京市房山区琉璃河湿地公园项目 施 工 作 业人员安全操作 规程 编制人: 审批人: . ....
表E.0.3— 18 职工安全生产教育培训记录表 工程名称: 安徽省牛岭水库工程大坝枢纽工程 教育部门 监理部 教育者 教育日期 2 0 1...
北京市房山区琉璃河湿地公园项目 施工作业人员安全操作规程 编制人: 审批人: 北京东方园林生态股份有限公司 琉璃河湿地公园项目部 ...
目 录 一、安全控制体系编制的依据 .................................................................................................
专业资料 W ORD 完美格式 下载可编辑 安 全 技 术 交 底 工 程 名 称 栖 霞 市 上 马 家 河 水 库 除 险 加 固...
安全技术交底 工程名称 栖霞市上马家河水库除险加固工程 施工单位 栖霞市水利工程建筑安装有限公司 分部工程名称 管理房工程 施工部...
安 全 技 术 交 底 工 程 名 称 施 工 单 位 分 部 工 程 名 称 施 工 部 位 交 底 内 容 : 1. 进 入 施...
安全生产管理制度 施工单位:湖南明诚水利水电工程有限公司 罗平县牛街河水库工程第一标段项目部 工程名称:云南省罗平县牛街河水库工程...
安全生产应急救援预案 认真贯彻落实《安全生产法》、《建设工程安全生产管理条例》、《建筑法》和《消防法》等法律、法规和标准, 搞好安...
河南省南水北调受水区 焦作供水配套工程施工 6 标 合同编号:NSBD-JZPT/SG-06 安全保证体系 河 南 省 水 利 第 一工程局 南 ...
富 源 县岔河水库拦河坝工程 安全保证体系 云 南 省 水 利 水 电 工 程 有 限 公 司 富 源 岔 河 水 库 工 程 项...
伊川县白降河郝湾至孟村段治理工程 外观质量评定表 河 南 大 河 工 程 建 设 管 理 有 限 公 司 伊川县白降河 河 道治理...
水利工程:指为了控制、调节和利用自然界的地面水和地下水,以达到除害兴利的目的而兴建的各种工程。水利工程按其服务对象可以分为防洪工程...
长沙市岳麓区靳江河二期治理工程 外观质量评定方案 长沙市岳麓区水利建设项目管理中心 2019 年 1 月 目 录 1.工程概况 ............
---------------------工程--------------改造工程 土石方开挖监理细则 1 ----------------------------改造工程 (东风洞-孟家水库)...
富 源 县岔河水库拦河坝工程 开 挖 施 工 方 案 云 南 省 水 利 水 电 工 程 有 限 公 司 富 源 岔 河 水 库 ...

