下载后可任意编辑【考点】 水泥混凝土路面施工技术一、混凝土配合比设计、搅拌和运输(一)混凝土配合比设计混凝土的配合比设计在兼顾经济...
下载后可任意编辑【考点】 水泥混凝土路面施工技术一、混凝土配合比设计、搅拌和运输(一)混凝土配合比设计混凝土的配合比设计在兼顾经济...
下载后可任意编辑某迎宾大道道排桥工程目 录第一章 工程概况...........................................................................
广州高新技术产业经济带沙文生态科技产业园xx 大道(x 标段)道路工程XXXX 桥梁孔桩专项施工方案程序签名职 称日 期编制专业负责人审...
下载后可任意编辑下载后可任意编辑南 昌 市 广 场 北 路 道 路 改 造南 昌 市 广 场 北 路 道 路 改 造工 程工 程施...
下载后可任意编辑市政道路现场安全文明施工方案(2024-08-07 10:42:18) 转载标签: 杂谈安全文明施工方案一、安全文明施工的目标1.1 贯...
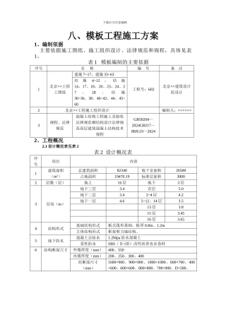
下载后可任意编辑八、模板工程施工方案1、编制依据主要依据施工图纸、施工组织设计、法律规范和规程,具体见表1。表 1 模板编制的主要依...
下载后可任意编辑市政道路现场安全文明施工方案(2024-08-07 10:42:18) 转载▼标签: 杂谈安全文明施工方案一、安全文明施工的目标1.1 ...
下载后可任意编辑施工组织设计第一篇 编制说明和依据 第二篇 工程概况 第三篇 施工进度计划 第四篇 施工平面图布置 第五篇 施工部...
下载后可任意编辑市政道路桥梁工程质量通病及控制措施分析摘要:市政道路桥梁施工技术难度不大,但由于施工场地狭小,交通流量影响大,且工...
下载后可任意编辑四川什邡经济开发区博大路二期、通惠路二期、团结路工程土方工程专项施工方案 编 制 人: 审 批 人: 审 核 人:...
下载后可任意编辑+淮南高新区(大别山路、泰宁大街)道路工程质量评估报告审批:审核:总监:编写:河南卓越工程管理有限公司二 O 一四 ...
下载后可任意编辑宿马现代产业园泗州路道排工程排水工程施工方案 审 批: 复 核: 编 制: 安徽省第一建筑工程公司 宿马现代产业园...
郑 州 市 绿 博 开 发 建 设 有 限 公 司关 于 中 牟 县 绿 博 文 化 产 业 园 区 2024 年 道 路 建设 项 ...
下载后可任意编辑***市政道路及配套工程 2024 年雨季专项施工方案编 制: 审 核: ******市政道路及配套工程项目部年 月 日第一章...
1 目 录第一章 概 况..............................................................................................................
下载后可任意编辑 南山区新岗路片区电力通信管道敷设工程专项施工方案编制人: 审核人: 企业名称:深圳市深港建筑集团有限公司项目名称...
下载后可任意编辑一、市政道路路基施工作业指导书1 、作业制度施工作业执行文件:施工项目部下发的有效设计图纸、技术交底文件、《市政道...
下载后可任意编辑本页为作品封面,下载后可以自由编辑删除,欢迎下载!!! 精 品文档1【精品 word 文档、可以自由编辑!】目录施工组...
1 目 录第一章 概 况..............................................................................................................

