代订货交易细则目录第一章前言第二章术语和定义第三章交易第四章结算第五章交货、接货第六章调解与处理第七章附则第一章前言第一条根据《上...
第1页共17页编号:时间:2021年x月x日书山有路勤为径,学海无涯苦作舟页码:第1页共17页生鲜知识手册十:生鲜订货补货管理及原则一、订货管...
第1页共17页编号:时间:2021年x月x日书山有路勤为径,学海无涯苦作舟页码:第1页共17页生鲜知识手册十:生鲜订货补货管理及原则一、订货管...
更多资料请访问.(.....)更多企业学院:...../Shop/《中小企业管理全能版》183套讲座+89700份资料...../Shop/40.shtml《总经理、高层管理...
造成长订货配送周期的主要因素------大批量处理、低效率的订货配送流程和订货配送链协调不好造成长订货配送周期的因素很多,如大批量处理、...
第1页共9页编号:时间:2021年x月x日书山有路勤为径,学海无涯苦作舟页码:第1页共9页三、造成长订货配送周期的主要因素------大批量处理、...
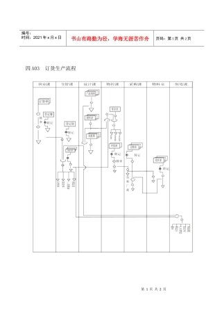
第1页共2页编号:时间:2021年x月x日书山有路勤为径,学海无涯苦作舟页码:第1页共2页四A03订货生产流程第2页共2页第1页共2页编号:时间:2...
第1页共13页编号:时间:2021年x月x日书山有路勤为径,学海无涯苦作舟页码:第1页共13页七、捷强烟草糖酒集团(有限)公司订货配送流程再造...
自营商品订货流程主管编制手工要货计划单(一份)部门经理审核签字副总经理审核签字部门文员凭手工单录入电脑采购订单部门主管或经理在电脑...
第1页共6页编号:时间:2021年x月x日书山有路勤为径,学海无涯苦作舟页码:第1页共6页自营商品订货流程主管编制手工要货计划单(一份)部门...
第1页共31页编号:时间:2021年x月x日书山有路勤为径,学海无涯苦作舟页码:第1页共31页祝“贝贝鸭”品牌在2013美婴堡秋冬订货会上取得满圆...
ODELYMARINEENGINEERING轮机设备订货明细表OM-GFW60711-400-003MX共25页第8页序号No.名称及规格NOMENCLATURE型号TYPE每船数量Qty../ship重...
CONTRACTONPROCUREMENTOFMATERIALS&EQUIPMENTFOR450,000KTAETHYLENEPLANTOFLIAONINGHUAJINCHEMICALS(GROUP)CORPORATION设备及材料采购合同C...
第1页共97页编号:时间:2021年x月x日书山有路勤为径,学海无涯苦作舟页码:第1页共97页服装行业订货会操作流程最近,笔者经常接到业内人士...
吉林石化公司合成树脂厂总降压变配电所新建工程PCM设备屏技术规范书吉林市电力勘测设计有限公司设计证书设乙级A2220030742010年08月吉林1货...
高压开关设备的共用订货技术导则CommonspecificationsforHVswitchgearenquiriesandordersDL/T593—1996前言迄今为止,我国目前采用的是GB11...
高压开关设备的共用订货技术导则CommonspecificationsforHVswitchgearenquiriesandordersDL/T593—1996前言迄今为止,我国目前采用的是GB11...
工矿产品订货合同GF-90-0102全文供方:________合同编号:需方:________签订地点:订货会组织单位名称及法定代...
商品部买手操作流程篇订货手册订货流程简图(表格最后有所有数据分析表格模版)二店铺计划四买货三买货计划六录入订单五做订单了解市场情况...
第1页共10页编号:时间:2021年x月x日书山有路勤为径,学海无涯苦作舟页码:第1页共10页四、减小批量效应-------缩短订货配送周期策略之一...

