——文章来源网,仅供分享学习参考1做清纯的性感MM肌肤娇嫩保养技巧1、防晒是护肤之本好多女生,对于化妆保养不遗余力,但是很多女生的保养...
仅供参考[整理]第1页共4页安全管理文书余热锅炉日常检查保养日期:__________________单位:__________________仅供参考[整理]第2页共4页余...
物业设施设备保养手册1目的保持设备设施正常技术状态,延长使用寿命减少设备故障,节约运行、维修费用,降低成本,保证服务质量。2适用范围...
苗木迁移、暂存、养护施工方案为加强松山湖高新科技产业园区现有苗木资源管理,针对园区建设过程中需要迁移的苗木,就其迁移、暂存、养护,...
兰坪县疾病防止控制中心建设项目提升机日常检查维护保养记录云南鸣世建筑工程有限公司10月物料提高机日常检查维护保养统计工程名称兰坪疾控...
说真的:做卵巢保养有什么好处,如何保养卵巢和子宫?子宫和卵巢是孕育新生命的摇篮,女性的重要的生殖器官,同时也是女性青春靓丽的确保。...
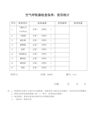
空气呼吸器检查保养、使用统计检查人:区域:加热炉编号:0113日期:年月日注:1、班组每月安排专人进行全方面检查,发现异常立刻向安全员...
教师的嗓子如何保养多喝水是对的,泡胖大海喝,口服金嗓子含片,都只是表面的防护。老师的嗓子不好,费嗓子是教师职业病中的一种。主要原因...
第1页共3页保护你的嗓子大法一名教师每天要上课三至六节课,经常大量讲话,经年累月,很少有声带不损伤的。如果再加上抽烟、环境污染等因素...
1设备保养与点检2课程大纲设备设备技能技能多能工多能工培訓培訓设备设备技能技能多能工多能工培訓培訓设备点检设备点检八定实务八定实务设...
注塑机保养规定一、目的为规范注塑机的保养工作,特制定本标准二、适用范围适用于对本公司注塑机的保养工作。三、内容根据保养计划及车间实...
毕业论文汽车发动机维护与保养学生姓名:刘广生(09)系别:化工机械系专业班级:设备3102指导教师:孔敏完成日期:5月20日吉林工业职业技术...
1.少吃盐(豆腐乳不要再吃了,一小块豆腐乳的含盐量已经达到一天的需求了,咸菜类的都不要吃)2.多喝水,(血液粘稠,不利于血流的导通却十...
污水处理离心脱水机日常保养及维修作业指导书0.目的使每名维保人员清楚明白离心脱水机日常保养的方法步骤及目的,规范污水处理日常检查维护...
医院医疗仪器维修记录本科室20_____年_____月医疗设备仪器保养、维修制度1、医疗设备仪器由科室专人负责管理,定期检查运行情况,保证性能...
仪器设备的使用、保养、维护1仪器设备的使用1.1仪器设备的使用,操作人员必须经过技术培训,了解仪器设备的性能,熟悉操作方法,方可上机工...
机械设备保养维修记录表D42编号:设备名称塔式起重机规格型号QTZ40编号1#上次保养修理时间和级别一级保养本次保养修理级别一级保养保养修理...
第2节混凝土输送泵维护与保养为了保证设备的正常运转,不影响施工,将隐患消灭在萌芽状态,混凝土输送泵必须坚持每日的检查与维护。2.1.机...
迎新春回馈老用户上门保养活动方案课件•活动背景•活动目标•活动内容•活动宣传•活动执行•活动效果评估与反馈活动背景01春节期间,人们...
汽车衡、轨道衡维修维护知识培训2010年4月20日目录第一部分:汽车衡的维护与维修第一章:汽车衡基本原理及结构第二章:汽车衡日常点检及保...

