电脑桌面
添加小米粒文库到电脑桌面
安装后可以在桌面快捷访问

2025年空气呼吸器检查保养使用记录表VIP免费

2025年空气呼吸器检查保养使用记录表_第1页
1/9
2025年空气呼吸器检查保养使用记录表_第2页
2/9
2025年空气呼吸器检查保养使用记录表_第3页
3/9
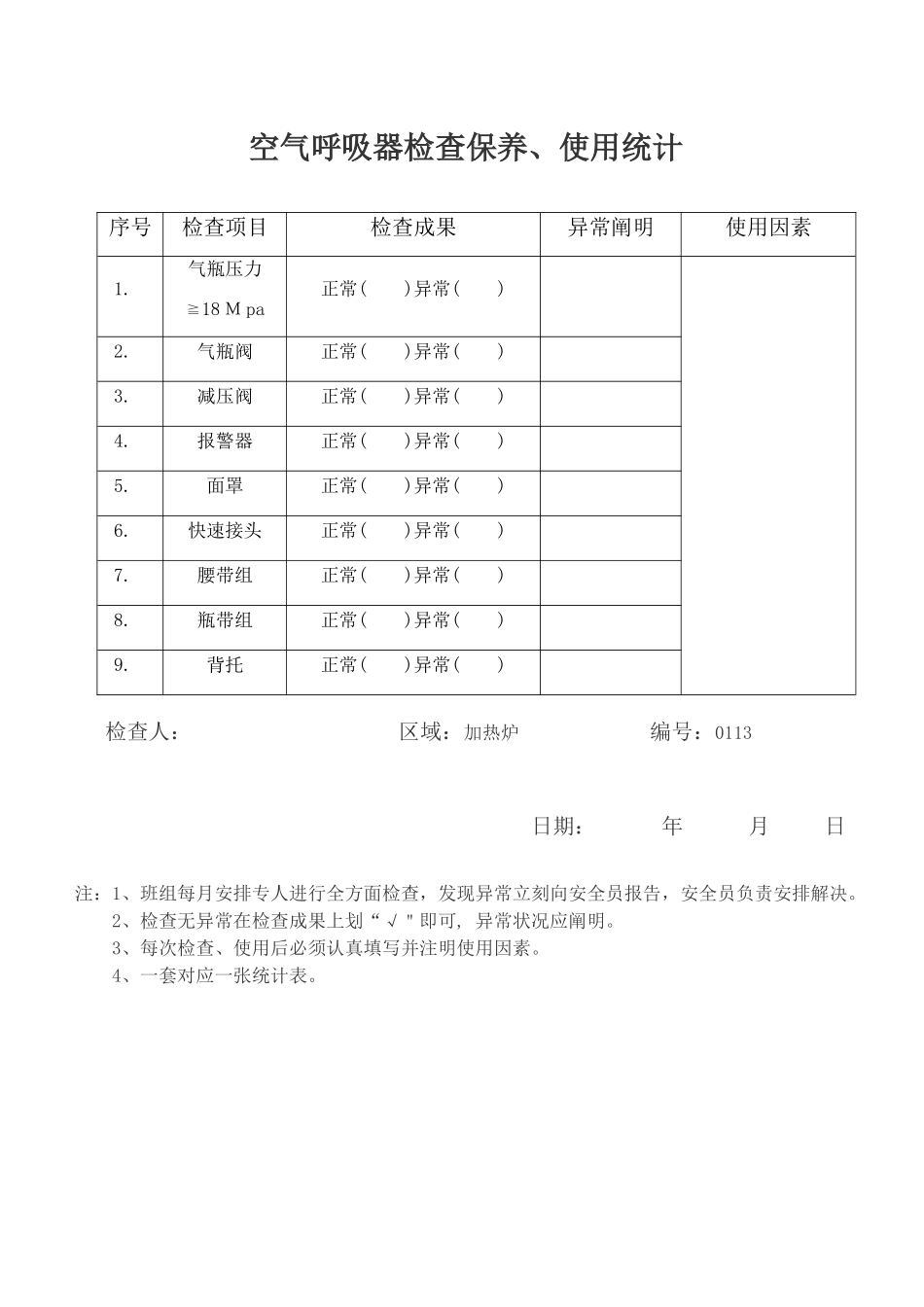
空气呼吸器检查保养、使用统计检查人:区域:加热炉编号:0113日期:年月日注:1、班组每月安排专人进行全方面检查,发现异常立刻向安全员报告,安全员负责安排解决。2、检查无异常在检查成果上划“√"即可,异常状况应阐明。3、每次检查、使用后必须认真填写并注明使用因素。4、一套对应一张统计表。序号检查项目检查成果异常阐明使用因素1.气瓶压力≧18Mpa正常()异常()2.气瓶阀正常()异常()3.减压阀正常()异常()4.报警器正常()异常()5.面罩正常()异常()6.快速接头正常()异常()7.腰带组正常()异常()8.瓶带组正常()异常()9.背托正常()异常()空气呼吸器检查保养、使用统计检查人:区域:加热炉编号:0144日期:年月日序号检查项目检查成果异常阐明使用因素10.气瓶压力≧18Mpa正常()异常()11.气瓶阀正常()异常()12.减压阀正常()异常()13.报警器正常()异常()14.面罩正常()异常()15.快速接头正常()异常()16.腰带组正常()异常()17.瓶带组正常()异常()18.背托正常()异常()注:1、班组每月安排专人进行全方面检查,发现异常立刻向安全员报告,安全员负责安排解决。2、检查无异常在检查成果上划“√"即可,异常状况应阐明。3、每次检查、使用后必须认真填写并注明使用因素。4、一套对应一张统计表。空气呼吸器检查保养、使用统计检查人:区域:风机房编号:0111日期:年月日注:1、班组每月安排专人进行全方面检查,发现异常立刻向安全员报告,安全员负责安排解决。2、检查无异常在检查成果上划“√"即可,异常状况应阐明。3、每次检查、使用后必须认真填写并注明使用因素。4、一套对应一张统计表。序号检查项目检查成果异常阐明使用因素19.气瓶压力≧18Mpa正常()异常()20.气瓶阀正常()异常()21.减压阀正常()异常()22.报警器正常()异常()23.面罩正常()异常()24.快速接头正常()异常()25.腰带组正常()异常()26.瓶带组正常()异常()27.背托正常()异常()空气呼吸器检查保养、使用统计检查人:区域:风机房编号:0104日期:年月日注:1、班组每月安排专人进行全方面检查,发现异常立刻向安全员报告,安全员负责安排解决。2、检查无异常在检查成果上划“√"即可,异常状况应阐明。3、每次检查、使用后必须认真填写并注明使用因素。4、一套对应一张统计表。序号检查项目检查成果异常阐明使用因素28.气瓶压力≧18Mpa正常()异常()29.气瓶阀正常()异常()30.减压阀正常()异常()31.报警器正常()异常()32.面罩正常()异常()33.快速接头正常()异常()34.腰带组正常()异常()35.瓶带组正常()异常()36.背托正常()异常()空气呼吸器检查保养、使用统计检查人:区域:调度室编号:KL170128日期:年月日注:1、班组每月安排专人进行全方面检查,发现异常立刻向安全员报告,安全员负责安排解决。2、检查无异常在检查成果上划“√"即可,异常状况应阐明。3、每次检查、使用后必须认真填写并注明使用因素。4、一套对应一张统计表。序号检查项目检查成果异常阐明使用因素37.气瓶压力≧18Mpa正常()异常()38.气瓶阀正常()异常()39.减压阀正常()异常()40.报警器正常()异常()41.面罩正常()异常()42.快速接头正常()异常()43.腰带组正常()异常()44.瓶带组正常()异常()45.背托正常()异常()空气呼吸器检查保养、使用统计检查人:区域:调度室编号:KL170129日期:年月日注:1、班组每月安排专人进行全方面检查,发现异常立刻向安全员报告,安全员负责安排解决。2、检查无异常在检查成果上划“√"即可,异常状况应阐明。3、每次检查、使用后必须认真填写并注明使用因素。4、一套对应一张统计表。序号检查项目检查成果异常阐明使用因素46.气瓶压力≧18Mpa正常()异常()47.气瓶阀正常()异常()48.减压阀正常()异常()49.报警器正常()异常()50.面罩正常()异常()51.快速接头正常()异常()52.腰带组正常()异常()53.瓶带组正常()异常()54.背托正常()异常()

1、当您付费下载文档后,您只拥有了使用权限,并不意味着购买了版权,文档只能用于自身使用,不得用于其他商业用途(如 [转卖]进行直接盈利或[编辑后售卖]进行间接盈利)。
2、本站所有内容均由合作方或网友上传,本站不对文档的完整性、权威性及其观点立场正确性做任何保证或承诺!文档内容仅供研究参考,付费前请自行鉴别。
3、如文档内容存在违规,或者侵犯商业秘密、侵犯著作权等,请点击“违规举报”。

碎片内容

2025年空气呼吸器检查保养使用记录表

您可能关注的文档

确认删除?
VIP
微信客服
  • 扫码咨询
会员Q群
  • 会员专属群点击这里加入QQ群
客服邮箱
回到顶部