第1页共33页编号:时间:2021年x月x日书山有路勤为径,学海无涯苦作舟页码:第1页共33页酒店管理员基本知识前言一、什么是酒店管理管理——...
2024年上半年图书管理员个人总结范文与2024年上半年地税局纪检监察工作总结汇编2024年上半年图书管理员个人总结范文一学期来我担任图书管理...
此资料由网络收集而来,如有侵权请告知上传者立即删除。资料共分享,我们负责传递知识。宿舍管理员聘用合同书范本/p>2.甲方及/或其聘任的...
2024年现场施工管理员年终工作总结范文与2024年现场材料管理员工作总结范文汇编2024年现场施工管理员年终工作总结范文耐心细心完成冬季施工...
2024年图书管理员个人工作总结与2024年图书销售工作总结汇编2024年图书管理员个人工作总结时间匆匆,岁月如梭,一个学期已经结束了。在本学...
第1页共8页编号:时间:2021年x月x日书山有路勤为径,学海无涯苦作舟页码:第1页共8页高级专卖管理员单选第一章职业道德1.范围有限性:尽管...
I2024年资产管理员年度总结范文年度总结范文财务资产管理处组织召开了全院各个系(部、处、室、中心)一把手和资产管理员参加的资产管理工作...
第1页共4页【仅供参考】档案管理员2024年个人总结范文部门:_________姓名:_____________年___月___日(此文内容仅供参考,可自行修改)档...
2024图书管理员专业技术工作总结范文与2024图书编辑个人年终工作总结汇编2024图书管理员专业技术工作总结范文本人1980年在图书馆工作,1994...
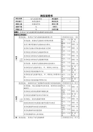
岗位说明书岗位名称电气设备管理岗岗位编号所在部门物资设备科岗位定员1直接上级设备副科长岗位工资直接下级无分析人所辖人员无分析日期本...
第1页共4页编号:_____档案管理员2024年个人工作总结范文学校:_________教师:_____________年___月___日(此文内容仅供参考,可自行修改...
第1页共4页【仅供参考】2024年仓库管理员工作总结范文部门:_________姓名:_____________年___月___日(此文内容仅供参考,可自行修改)20...
2024年质量工作计划范本与2024年质量管理员工作计划汇编2024年质量工作计划范本XX年阜王路项目部质量工作总结及XX年工作计划XX年,阜王路项...
第1页共7页编号:_____12月物业管理员试用期月工作总结学校:_________教师:_____________年___月___日(此文内容仅供参考,可自行修改)1...
2024品质年度工作总结与2024品质管理员个人工作总结汇编2024品质年度工作总结转眼间XX经成为昨天。在这过去的一年,对于佳茂来说是不平凡的...
物业管理员职务说明书岗位名称物业管理员岗位编号所在部门生活服务部岗位定员1直接上级物业主管工资等级直接下级岗位分析日期本职:负责实...
科技档案管理员职务说明书岗位名称科技档案管理员岗位编号DA-03所在部门综合部档案室岗位定员1直接上级档案室主任职系直接下级薪酬等级所辖...
融资管理员岗位名称融资管理员岗位编号SH-ZJB-03所在部门资金管理部岗位性质行政工资等级岗位定员1人直接上级资金管理部部长直接下级辖员人...
\档案管理员职务说明书岗位名称档案管理员岗位编号公司在部门经理办公室岗位定员2直接上级办公室主任工资等级直接下级无岗位分析日期本职:...
资金管理员岗位名称资金管理员岗位编号SH-ZJB-04所在部门资金管理部岗位性质行政工资等级岗位定员人直接上级资金管理部部长直接下级辖员人...

