钣金工程图纸绘制规范1.0 目的:1、检查和校核由 AP100、SolidWorks 或 AutoCAD 所制作展开图的正确性和有无错误。2、使工程图纸更有...
广州市交通技师学院广州市交通高级技工学校教学设计2024 — 2024 学年 第( 一 )学期课 程 名 称: 汽车钣金工艺模块课 程 类...
结构设计工艺手册前言公司现有零件中,不仅在打样过程中常常会有一些加工工艺性的问题,也有很多归档转产的零件存在加工困难的情况,不仅影...
市华森职业学校《汽车钣金》实训指导书专 业:班 级:指导老师:学 号:姓 名:主编:汽修专业实训室年 月 日目录实训目标与要求……...
目前,在汽车维修行业中普遍存在着一种错误观点:钣金维修技师只要熟练掌握操作技能,便可以对所有车型进行修复整形。这种观点是片面的。钣...
DKBA华为技术企业技术规DKBA4031-2024.06钣金结构件可加工性设计规2024-06-30发布 2024-07-XX实施华为技术有限公司发布目次前言51围和简介...
钣金和管工机械操作安全技术交底1.咬口机操作安全要求 (1)应先空载运转,确认正常后,方呵作业。 (2)工件长度、宽度不得超过机具允许范围...
钣金设计工艺法律规范目录钣金设计工艺法律规范 .............................................................. Error: Reference s...
摘 要随着时代的不断变换生活水平不断提高汽车也成为了人们交通工具中不可缺少的一个重要组成部分汽车工业作为我国的支柱产业,发汽车技术...
教 案教 案教 案授课时间月 日 至 月 日课时数 4授课方式实践课□ 授课单元项目一、车身结构及特征目的与要求1、掌握汽车车身结构...
金折弯人员必备知识QQ 空间 QQ 好友 新浪微博推荐给朋友 折弯中常遇见得问题作为一名钣金行业折弯机操作工来说,对某些基础知识必须...
钣金试题库员工姓名: 工号: 得分: 一、 填空题1.常用折弯体式格局有 机械 式和 液压摆 式两大类。 2.折弯机所用旳模具分为 ...
常见钣金件的材料选用和表面处理一材料的选用 1 冷轧钢 SPCC,主要用于电镀和烤漆件,成本低,易成型,材料厚度为≤3。2mm。2 热轧钢 ...
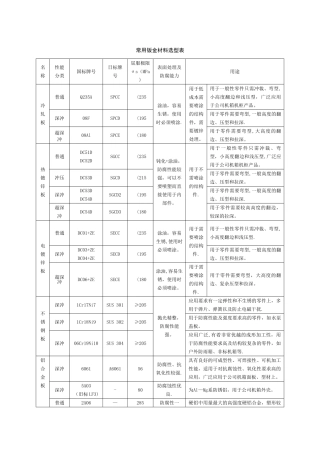
常用钣金材料选型表名称性能分类国标牌号日标牌号屈服极限σs(MPa)表面处理及防腐能力用途冷轧板普通Q235ASPCC〈235涂油,容易生锈,使用...
填空题 1.金属材料堆放,距地面应不不大于 300mm。 2.钢材旳预处理重要内容包括表面处理、软化处理和整形处理等。 3.常用旳展开作...
金折弯人员必备知识 折弯中常遇见的问题作为一名钣金行业折弯机操作工来说,对某些基础知识必须要懂得。当然折弯操作工要会看工件图纸这...
钣金车间主管岗位职责 第 1 篇:钣金生产主管岗位职责钣金主管岗位职责 一、工作内容: 1.受分公司经理领导直接对上一级领导负责,及时...
钣金工艺流程表 发布日期:2024-7-5 [ 收藏 评论 没有找到想要的知识 ] 料 号 工艺流程使用设备品 质 重 点a1下料数冲拉丝拉丝...
经典钣金结构设计工艺法律规范一、目的:公司为了统一各产品部设计人员对钣金工艺知识的认知和运用,推动设计的标准化,保证所设计产品合理...
DKBA华为技术有限公司企业技术法律规范钣金结构件可加工性设计法律规范2024-06-30发布 2024-07-XX实施华 为 技 术 有 限 公 司发布...

