下载后可任意编辑事业单位2024年度考核登记表填写说明与事业单位2024年终工作总结2汇编事业单位2024年度考核登记表填写说明在各级领导和同...
下载后可任意编辑事业单位2024年度考核登记表填写说明与事业单位上半年个人工作总结2024汇编事业单位2024年度考核登记表填写说明在各级领导...
地基与基础工程检验批填写范例的目录0、地基与基础分部工程质量验收记录1、注浆地基检验批质量验收记录2、高压旋喷注浆地基检验批质量验收...
www.quancheng-ec.com差旅费报销单怎么填_如何填写差旅报销单一般而言,在公司里大家经常会遇到两种报销单,一种是普通的费用报销单,还有...
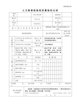
城镇道路-001土方路基检验批质量验收记录工程名称分项工程名称验收部位施工单位专业工长项目负责人分包单位分包负责人施工班组长施工执行标...
附件1:车辆购置税纳税申报表填表日期:年月日纳税人名称:金额单位:元、角、分纳税人证件名称证件号码联系电话邮政编码地址车辆基本情况...
1、施管表填写施工技术文件要按单位工程进行组卷。市政工程中的独立核算项目,应是一个单位工程。采用分期单独核算的同一市政工程,应是若...
1报销单据填写、整理和粘贴的要求一:报销单据的填写要求1、报销单据必须用蓝、黑钢笔或签字笔书写,不可使用圆珠笔或铅笔书写。2、报销单...
一、单位换算练习60毫米=()厘米2吨=()千克8米=()分米5000克=()千克3千克=()克7千米=()米400厘米=()米6000千克=()吨9000克=()千...
九年级上《课外古诗词》填写一《观刈麦》1诗中表明繁重的赋税带给人们不尽苦难的诗句是,2诗中表现诗人为自己过着不劳而获的生活深感愧疚的...
运用质量管理工具进行持续性改进案例报告——提高病案首页填写合格率一、发现问题病案首页信息是一份完整的简要病历资料,高度浓缩了病案中...
中国地理基础图填写1、中国政区图根据轮廓图,在图中填写出中国各个省级行政区的名称及简称。2、读中国政区图空白图,在图上标出每个省的省...
附件3:揭阳市中学(含中职)市级三好学生推荐表(2015—2016学年度)县(市、区)XX县学校班级九年级(3)班姓名揭阳市教育局2016年3月姓...
学生基本信息表学校名称:班级:编号项目名称基础数据编号项目名称基础数据学生个人基础信息1姓名★张三(与户口本一致)8身份证件类型★1-...
监理日记项目名称:监理单位:建设单位:施工单位:年月日至年月日监理日志概念和作用(1)监理日志是监理公司、监理工程师工作内容、效果...
各市属党(工)委应按实际情况,认真填写有关内容,严禁照搬照抄范例,对在今后调研检查中发现生搬硬套、简单抄袭等问题的,将严肃追究有关...
《建筑工程施工质量验收统一标准》GB50300-2013自2014年实施以来,筑业软件针对检验批容量,最新抽样数量,检验批容量,原始记录内容,组织...
建筑电气内业资料目录(一)设计变更汇总记录...........................................................................................
贵州兴义中学体育组篮球模块教学教案保庆篮球比赛记录表填写方法1、记录员的职责是什么?记录员的职责有:(1)记录两队的累积分数;记录投篮...
动火作业证填写说明1.申请单位:需要进行动火地点所在单位2.申请人:需要进行动火地点所在单位负责人3.作业证编号:例:20170925-0014.动火...

