电脑桌面
添加小米粒文库到电脑桌面
安装后可以在桌面快捷访问

监理日志填写范例VIP免费

监理日志填写范例_第1页
1/3
监理日志填写范例_第2页
2/3
监理日志填写范例_第3页
3/3
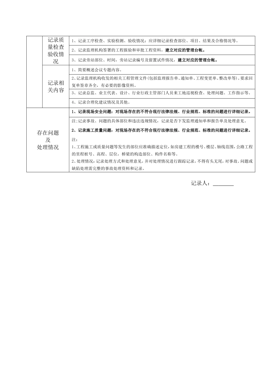
监理日记项目名称:监理单位:建设单位:施工单位:年月日至年月日监理日志概念和作用(1)监理日志是监理公司、监理工程师工作内容、效果的重要外在表现;管理部门也可以通过监理日志的记录内容了解监理公司的日常管理活动。(2)通过监理日志,监理工程师可以对一些质量问题和一些重要事件进行准确追溯和定位,为监理工程师或总监的重要决定提供依据。(3)对监理日志进行统计和总结,可以为监理月报、质量评估报告、监理工作总结、监理会议等提供重要内容。(4)监理日志需要正确反映工程建设过程中监理人员参与工程投资、进度、质量、合同管理及现场协调的实际情况,尤其是施工中存在的安全、质量隐患和对承包商的重要建议、要求等,因此,监理日志也是监理项目部和监理企业用于检查、评价监理工程师日常工作的重要依据之一。(5)监理日志是记录项目管理过程中施工质量、安全、费用、工期等各方面最原始最可靠的资料,因此,监理部门需要妥善保管监理日志,特别是在发生有工程延期、索赔、结算的纠纷或法律诉讼的时候将成为最主要的举证资料。因此,除总监授权和主管部门调阅以外,即使是建设单位也通常只能查阅,但不能复印和拍照,监理部门也不允许将监理日志提供给任何的第三方(包括但不限于承包商)使用,以免影响监理工作的公平、公正及其独立性。监理日志的内容监理日志应该真实、准确、全面地记录与工程进度、质量、安全相关的问题,用词要准确、专业、严谨、规范。把所发生的问题以及解决途径、方法记录下来,这样不仅便于查找,也有利于业主和主管部门更全面地了解监理工作内容与监理工作业绩。主要事件、重大的施工活动均应记录在监理日志上,尤其是施工中存在的安全、质量隐患和对承包商的重要建议、要求等。通过多年的探索、改革、引进先进制度,我国监理市场正逐步走向成熟,监理人员也应不断提高素质,使自己适应不断变化的环境,监理日志的填写就是这种素质的一个侧面反映。全面、详细的监理日志不仅能为监理工作提供方便,同时还是工程延期、索赔的依据。监理日志的记录内容应包括以下几点:1、日期、天气2、单位工程、分部工程开工、完工时间及施工情况3、承包商的组织机构、人员动态4、承包商主要材料、设备进场及使用情况5、监理单位对不同问题的处理6、分项、分部、单位工程的验收情况7、记录工程中存在的影响工程质量、进度、造价、安全的各类问题及解决情况,合同、住处管理情况,监理会议、考察、抽检等活动情况8、审阅记录9、关键时间和位置的记录存在问题处理情况填写的内容的要求1、对现场存在的不符合现行法律法规、行业规范、标准的安全问题进行简易记录,在安全监理日志上做详细记录。2、对现场存在的不符合现行法律法规、行业规范、标准的质量问题进行详细记录。3、对安全质量问题、事故的处理应作跟踪记录,对安全、质量事故的处理应做联系相关单位整理完善齐全的事故处理资料。监理日志年月日星期天气温度工程名称主要内记录分部分项工程施工情况进行及监理情况。1、对当日施工内容、部位、施工工艺情况进行记录。注:施工工艺:应清楚记录施工工序内容,如路基的填、压等工序,混凝土施工的钢筋、模板、砼浇筑、养护等工序的详细情况,如砼浇筑的开盘、结束时间、运输方法、振捣方式、施工间断情况等。2、应对大型机械设备施工作业情况进行记录。3、记录工程停工、停水、停电和突发异常重大事件。记录原材料、设备质量控制情况1、记录原材料、设备进场时间、数量、供货单位、进场质量检验情况、到场的贮存情况等。2、记录见证取样、送检情况:送检单编号(要求送检人员持证上岗),建立对应管理台帐。3、记录材料、设备、试件质量情况:对应建立管理登记台帐(包括主体结构材料、功能性试件等)。记录质量检查验收情况1、记录工序检查、实验检测、验收情况:应详细记录检查部位、项目、结果及合格情况等。2、记录监理机构签署的工程报验和审批工程资料,建立对应的管理台帐。3、记录旁站部位、时间,旁站记录编号及留置试件情况,建立对应的管理台帐。记录相关内容1、简要概述会议专题内容。2、记录监理机构收发的相关工程管理文件(包括监理报...

1、当您付费下载文档后,您只拥有了使用权限,并不意味着购买了版权,文档只能用于自身使用,不得用于其他商业用途(如 [转卖]进行直接盈利或[编辑后售卖]进行间接盈利)。
2、本站所有内容均由合作方或网友上传,本站不对文档的完整性、权威性及其观点立场正确性做任何保证或承诺!文档内容仅供研究参考,付费前请自行鉴别。
3、如文档内容存在违规,或者侵犯商业秘密、侵犯著作权等,请点击“违规举报”。

碎片内容

监理日志填写范例

您可能关注的文档

确认删除?
VIP
微信客服
  • 扫码咨询
会员Q群
  • 会员专属群点击这里加入QQ群
客服邮箱
回到顶部