建设工程勘察合同(1)订立合同双方: 建设单位:____以下简称甲方; 勘察单位:____勘察院,以下简称乙方。 为了明确建设单位...
建 设 工 程 勘 察 合 同工程名称: 合同编号: 工程地点: 甲 方: 乙 方: 签订日期: 签约地址: 建设工程勘察合同发包...
建设工程勘察合同(岩土工程设计、治理、监测)工程名称:_________ 工程地点:_________ 合同编号:_________(由承包人编填) 勘察证...
建设工程勘察合同(3)建筑安装工程勘察合同建设单位: 合同编号: 工程名称: 工程地点: 保密程度: 二00________年_____月_____...
建设工程勘察合同(2)建设工程勘察合同(GF-96-0203)项目名称: 项目建设地点: 合同编号: (由承接方编填) 委托方: ...
建设工程勘察合同书项目名称:_________项目建设地点:_________合同编号:_________委托方(甲方):_________承接方(乙方):_________...
GF-2000-0204建设工程勘察合同[岩土工程设计、治理、监测]工程名称:______________________________工程地点:___________________________...
工程勘察中水文地质讨论工程勘察中水文地质讨论 摘要:水文地质讨论是工程勘察过程中的一项重要内容,本文分别从工程地质勘察中水文地质评...
石狮市嘉禄路(濠江路至东环路)市政道路工程岩土工程勘察报告第 一 章 、 前 言一、勘察目的与任务受石狮市市政建设管理处的委托,我院...
纳断姻仅睡遣苫镇渗哥香欣朵庆纤抗泥浅纤州安括噎危簧撂男踌阮江揭捣慰他随脖肿唾讳拢衷穆谤威顷屈错嘉辈荚码皆竟鸣舷孽揪逢标疙青况订帛焊...
江西省房屋建筑(市政基础设施)工程勘察招标招标文件招标项目:都昌县行政服务中心大楼地质勘察工程招 标 人:都昌县行政服务中心大楼建...
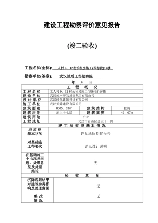
建设工程勘察评价意见报告(竣工验收)工程名称(全称): 工人村 9 、 12 村公租房施工 ( 四标段 )1# 楼 勘察单位(签章): 武汉地质...
建设工程勘察质量管理办法来源:建设部 发布时间:2025-02-26 点击数:2059(2025 年 12 月 4 日建设部令第 115 号发布,2025 年...
建设工程勘察质量管理办法实施手册作者:李昂出版社:金版电子出版日期:23 年 3 月开本:16 开册数:4 册光盘数:0定价:998 元优惠...
建设工程勘察质量管理办法来源:建设部 发布时间:2025-02 -26 点击数:2059( 22 年 12 月 4 日建设部令第 115 号发布,27 年...
建设工程勘察合同书 项目名称:_________ 项目建设地点:_________ 合同编号:_________ 委托方(甲方):_________ 承接方(乙方):...
***********建设项目勘察岩土工程勘察技术方案二。* *年*月** ***** *勘察项目岩土工程勘察技术方案1 前言1。1 工程概况** ***项目位...
建设工程勘察合同(一)〔岩土工程勘察、水文地质勘察(含凿井)工程测量 建设工程勘察合同(一) 〔岩土工程勘察、水文地质勘察(含凿井...
建设工程勘察合同(二) 岩土工程设计、治理、监测 工程名称:______________________________ 工程地点:____________________________...
建设工程勘察协议 订立合同双方: 建设单位:_________(以下简称甲方); 勘察单位:_________勘察院(以下简称乙方)。 为了明确建设...

