电脑桌面
添加小米粒文库到电脑桌面
安装后可以在桌面快捷访问

建设工程勘察评价意见报告

建设工程勘察评价意见报告_第1页
1/3
建设工程勘察评价意见报告_第2页
2/3
建设工程勘察评价意见报告_第3页
3/3
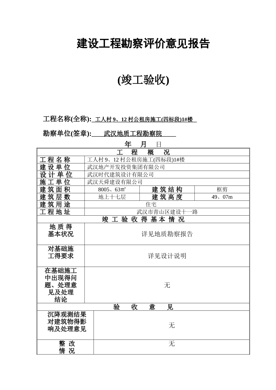
建设工程勘察评价意见报告(竣工验收)工程名称(全称): 工人村 9 、 12 村公租房施工 ( 四标段 )1# 楼 勘察单位(签章): 武汉地质工程勘察院 年 月 日工 程 概 况工 程 名 称工人村 9、12 村公租房施工(四标段)1#楼建 设 单 位武汉地产开发投资集团有限公司设 计 单 位武汉时代建筑设计有限公司施 工 单 位武汉天舜建设有限公司建 筑 面 积8005、63㎡建 筑 结 构框剪建 筑 层 数地上十七层建 筑 高 度49、07m建 筑 用 途住宅工 程 地 址武汉市青山区建设十一路竣 工 验 收 得 基 本 情 况地 质 得基本状况详见地质勘察报告对基础施工得要求详见设计说明在基础施工中出现得问题、处理意见及处理结论无验 收 意 见沉降观测结果对建筑物得影响及处理意见无整 改情 况无验 收结 论本工程于 2025 年 5 月 20 日进行了竣工验收。该工程依法进行勘察工作及执行有关主管部门批文。并执行强制性标准进行勘察工作。提供得工程勘察结果就是符合合同要求,且有效齐全。工程期间参加地质验槽,地基与竣工得检验,其质量达到验收标准,符合设计要求与法律规范。签章: 年 月 日建设工程勘察评价意见报告(竣工验收)工程名称(全称): 工人村 9 、 12 村公租房施工 ( 四标段 )2# 楼 勘察单位(签章): 武汉地质工程勘察院 年 月 日工 程 概 况工 程 名 称工人村 9、12 村公租房施工(四标段)2#楼建 设 单 位武汉地产开发投资集团有限公司设 计 单 位武汉时代建筑设计有限公司施 工 单 位武汉天舜建设有限公司建 筑 面 积7950、00㎡建 筑 结 构框剪建 筑 层 数地上十七层建 筑 高 度49、07m建 筑 用 途住宅工 程 地 址武汉市青山区建设十一路竣 工 验 收 得 基 本 情 况地 质 得基本状况详见地质勘察报告对基础施工得要求详见设计说明在基础施工中出现得问题、处理意无见及处理结论验 收 意 见沉降观测结果对建筑物得影响及处理意见无整 改情 况无验 收结 论本工程于 2025 年 5 月 20 日进行了竣工验收。该工程依法进行勘察工作及执行有关主管部门批文。并执行强制性标准进行勘察工作。提供得工程勘察结果就是符合合同要求,且有效齐全。工程期间参加地质验槽,地基与竣工得检验,其质量达到验收标准,符合设计要求与法律规范。签章: 年 月 日

1、当您付费下载文档后,您只拥有了使用权限,并不意味着购买了版权,文档只能用于自身使用,不得用于其他商业用途(如 [转卖]进行直接盈利或[编辑后售卖]进行间接盈利)。
2、本站所有内容均由合作方或网友上传,本站不对文档的完整性、权威性及其观点立场正确性做任何保证或承诺!文档内容仅供研究参考,付费前请自行鉴别。
3、如文档内容存在违规,或者侵犯商业秘密、侵犯著作权等,请点击“违规举报”。

碎片内容

建设工程勘察评价意见报告

MY shop+ 关注
实名认证
内容提供者

欢迎挑选适合自己的材料。

确认删除?
VIP
微信客服
  • 扫码咨询
会员Q群
  • 会员专属群点击这里加入QQ群
客服邮箱
回到顶部