下载后可任意编辑工程量清单编制总说明一、 工程概况:本工程为定南县人力资源市场大楼工程、建筑面积 7383.63 平方米,框架结构七层,...
下载后可任意编辑工程量清单编制说明工程名称:庆隆单元 GS04-01-R22-05 地块配套小学(庆隆单元小学)工程 一、 工程概况:本工程为庆...
下载后可任意编辑工程量清单综合单价分析表工程名称:山东省潍坊第一中学国际学校供电电缆安装铺设工程序号编码名称单位工程量综合单价组成...
下载后可任意编辑工程量清单编制常见问题汇总(陈亚红)工程量清单作为招标文件的组成部分,其准确性和完整性对确定工程造价、控制投资、提...
下载后可任意编辑清单相关概念及术语工程量清单计价方法,是建设工程招标投标中,招标人或委托具有资质的中介机构编制反映工程实体消耗和措施...
下载后可任意编辑本文以《建设工程工程量清单计价法律规范》为背景,阐述了工程量清单模式下投标报价的编 制方法和注意事项,并提出了如何...
下载后可任意编辑浅谈招投标项目中工程量清单的确认大连宏发工程造价咨询事务所有限公司 刘学军 随着招标法的推广,招标代理制的实行,建...
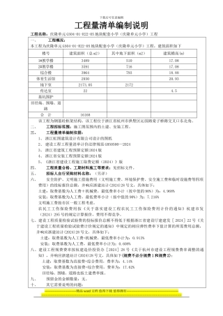
下载后可任意编辑滁州市垃圾填埋场地块安置小区工程工程量清单计价编制说明滁州市国家安居工程开发建设中心:受贵单位委托,我公司组织工程...
下载后可任意编辑工程量清单招标的方法及其特点摘 要:工程量清单招投标是法律规范我国建设市场秩序的有效措施,也是与国际接轨的需要。它...
下载后可任意编辑工程量清单招标中存在的问题工程量清单招标是由招标单位提供统一的工程量清单和招标文件,投标单位以此为投标报价的依据并...
下载后可任意编辑 工程量清单招标方法及其特点 1、传统的招标方式及缺点 传统的招标一般是在施工图设计完成后进行,主要的招标方式有“...
下载后可任意编辑工程量清单招标 工程量清单招标是建设工程招标投标活动中根据国家有关部门统一的工程量清单计价规定,由招标人提供工程量...
下载后可任意编辑摘要:工程量清单招标是招投标进展到一定水平,为推动和完善招投标制度、改进行政监督机制、引导招投标向市场经济过渡,进...
下载后可任意编辑工程建筑论文:基于工程量清单的建筑施工企业非合作投标报价博弈模型及应用[摘要]论文从非合作投标报价方面,运用博弈论原...
下载后可任意编辑工作招标论文:工程量清单计价模式下的招投标 【摘 要】自 2000 年《招标投标法》施行,招投标制度确立了在建设市场中...
下载后可任意编辑鲁价费发〔2024〕205 号 关于继续执行新增建设工程造价咨询服务收费标准的通知 各市物价局、建委(建设局): 省物价...
下载后可任意编辑小论我国台湾香港与英美工程量清单报价模式区别小论我国台湾香港与英美工程量清单报价模式区别.............................
下载后可任意编辑对实施工程量清单计价问题存在及应对策略的探讨摘要:要营造一个良好的工程量清单计价环境和氛围,以期积极推动工程量清单...
下载后可任意编辑实施工程量清单计价以后的工程报价与工程管理摘要: 本文介绍了工程量清单报价的特点,并根据这些特点讲述了实施工程量清...
下载后可任意编辑浅谈实施工程量清单计价的可行性及操作步骤 近年来,国民经济高速增长,基本建设投资在国民经济进展中所占的比重在不断提...

