S8254A锂电池管理芯片
磷酸铁锂电池 SOC 估算研究引言 为了应对能源危机,减轻全球气候变暖,许多国家都开始重视节能减排和发展低碳经济。电动汽车由于采用电...
0 目录第一章项目总论 ......................................... 1 第一节项目背景 ...................................... 1第二...
年产 1000 吨锂电池负极材料加工生产线工程可行性研究报告0 年产 1000 吨锂电池负极材料加工生产线工程可行性研究报告年产 1000 吨...
1 引言 射频识别技术(Radio Frequency Identification, RFID)作为快速、实时、准确采集与处理信息的高新技术和信息标准化的基础,已经...
1~多节锂电池充电管理IC
深圳市博大电源电池科技有限公司 18650 锂电池3.7V 锂电池 3.7v锂电池 ..............................................................
锂离子电池由于其具有高电压、高比能量、循环性能好、 环境污染小等优势,已成为各国新能源产业发展的一个重要方向。正极材料作为锂离子电...
136.一611.二988 锂电池正极材料是决定锂离子电池容量、安全性和成本的最核心材料。锂电池正极材料生产主要三大环节:混料磨料、高温烧结...
在公司“外树形象,内强管理,引领行业,走向世界” 十六字发展方针的贯彻下,我们全体常州人将会以饱满的工作热情、创新的工作思维和务实...
回转窑已被广泛应用到许多工业领域,作为锂离子电池的正极材料,其烧结工艺 就是采用外热式回转窑来实施。因正极材料工艺的要求,其出料时...
锂 电 池 材 料 喷 雾 干 燥 机 100Kg/h 1、料 液 条 件 136.一 611.二988 物 料 名 称 :电 池 材 料 浆 料 初...
容 积 1200L 锂 电 池 材 料 双 锥 回 转 真 空 干 燥 机 电 加 热 功 率 : ≥81KW( 分 两 组 加 热 , ...
常 州 干 燥 科 技 有 限 公 司 , 是 一 家 集 研 发 、设 计 、生 产 、销 售 、工 程 安 装 、技 术 服 ...
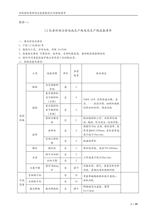
合 肥 国 轩 高 科 动 力 能 源 股 份 公 司 招 标 清 单 1 / 29 附 件 一 : 1.2 亿 安 时 动 力 锂 电...
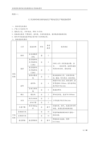
合 肥 国 轩 高 科 动 力 能 源 股 份 公 司 招 标 清 单 1 / 29 附 件 一 : 1.2 亿 安 时 动 力 锂 电...
1.2A线性双节锂电池充电芯片
圆 柱 、方形、软包锂电池的超全详解 目前主流的锂电池封装形式主要有三种:圆 柱 、方形和软包,不同的封装结构意味着不同的特性,它...
干货锂电池极片挤压涂布常见缺陷 The manuscript was revised on the evening of 2021 干 货 | 锂 电 池 极 片 挤 压...
精品文档精品文档1 目的:1.1 检验本公司所生产二次锂离子成品电池的各项性能,以确保本公司成品电池的安全性与可靠性符合客户要求;1.2...

