中国锂电池行业现状讨论分析及进展趋势预测报告( ) 报告编号: 1688185中国产业调研网.cn下载后可任意编辑 行业市场讨论属于企业战略讨...
中国铁锂电池行业现状调查分析及进展趋势预测报告( ) 报告编号: 1883309中国产业调研网.cn下载后可任意编辑 行业市场讨论属于企业战略...
LiFePO4/C 锂离子电池直流内阻测试研究摘要:研究了圆柱形动力磷酸铁锂锂离子电池在不同电流、不同测试持续时间下的直流内阻。 分析了电...
锂电池出口运输要求1.基本概念•电芯 cell-是一个单一的电化学封闭单元,由一个正极和一个负极组成,两极之间有电位差。•电池 battery-...
关于锂电池和锂聚合物电池的区别及他们正确的充电方法 一、锂电池的种类: 以前市面上所使用的二次电池主要有镍氢(Ni-MH)与锂离子(Li-ion...
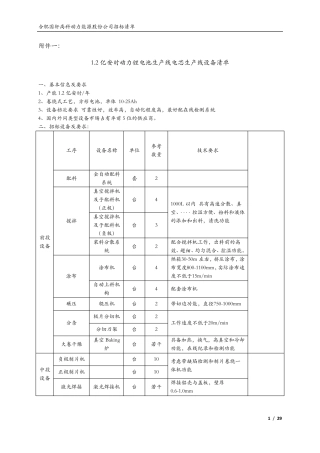
合 肥 国 轩 高 科 动 力 能 源 股 份 公 司 招 标 清 单 1 / 29 附 件 一 : 1.2 亿 安 时 动 力 锂 电...
新能源汽车及新能源汽车三大核心部件高功率铁锂电池、电机、电控系统生产项目可行性研究报告某锂电池集团有限公司目录第一章项目概况第二章...
新能源汽车及新能源汽车三大核心部件高功率铁锂电池、电机、电控系统生产项目可行性研究报告某锂电池集团有限公司目录第一章项目概况第二章...
锂离子电池结构探秘 一、锂离子电池的结构与工作原理 所谓锂离子电池是指分别用二个能可逆地嵌入与脱嵌锂离子的化合物作为正负极构成的二...
MATLAB/Simulink 锂电池建模 锂电池是目前在各个能源密集型行业中用途广泛,例如新能源汽车、电力微网、航空航天等。电池模型的建立对研...
XXXX 新能源科技有限公司高技术绿色电池产品项目咨询有限公司1 目录第一章总论 ................................... 3第一节项目概述...
1 全球动力锂电池企业竞争分析 一、全球动力锂电池产业 统计全球主流电动汽车,就电池单体容量发展方向看,除Tesla使用小容量18650 电...
通信铁锂电池用户手册
通信基站用磷酸铁锂电池移动企业标准
纳米材料在锂电池中的添加应用 纳米三氧化二铝,纳米氢氧化铝,纳米二氧化钛,纳米氧化镁,纳米二氧化锆,纳米氧化锌,纳米氧化铁,纳米二...
下载后可任意编辑锂电池负极材料行业专题报告1 总论负极材料是锂电池四大关键材料之一,约占整个锂电池制造成本8%左右,关键功用在于可逆...
新能车锂电池材料行业深度研究报告1 目录1. 大方向:锂电市场总量增长毋庸置疑 ........................................ 2 1.1. 动...
新能源汽车锂电池行业分析报告 一、新能源汽车锂电池简介 目前,车用电池主要包括铅酸电池、镍氢电池、锂电池以及燃料电池。铅酸电池已非...
磷酸铁锂电池特性目录目录.............................................................................................................
年产5000万只锂电池项目环评报告表

